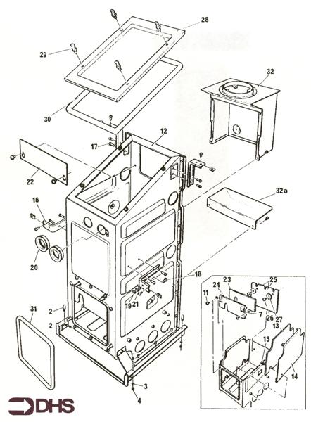
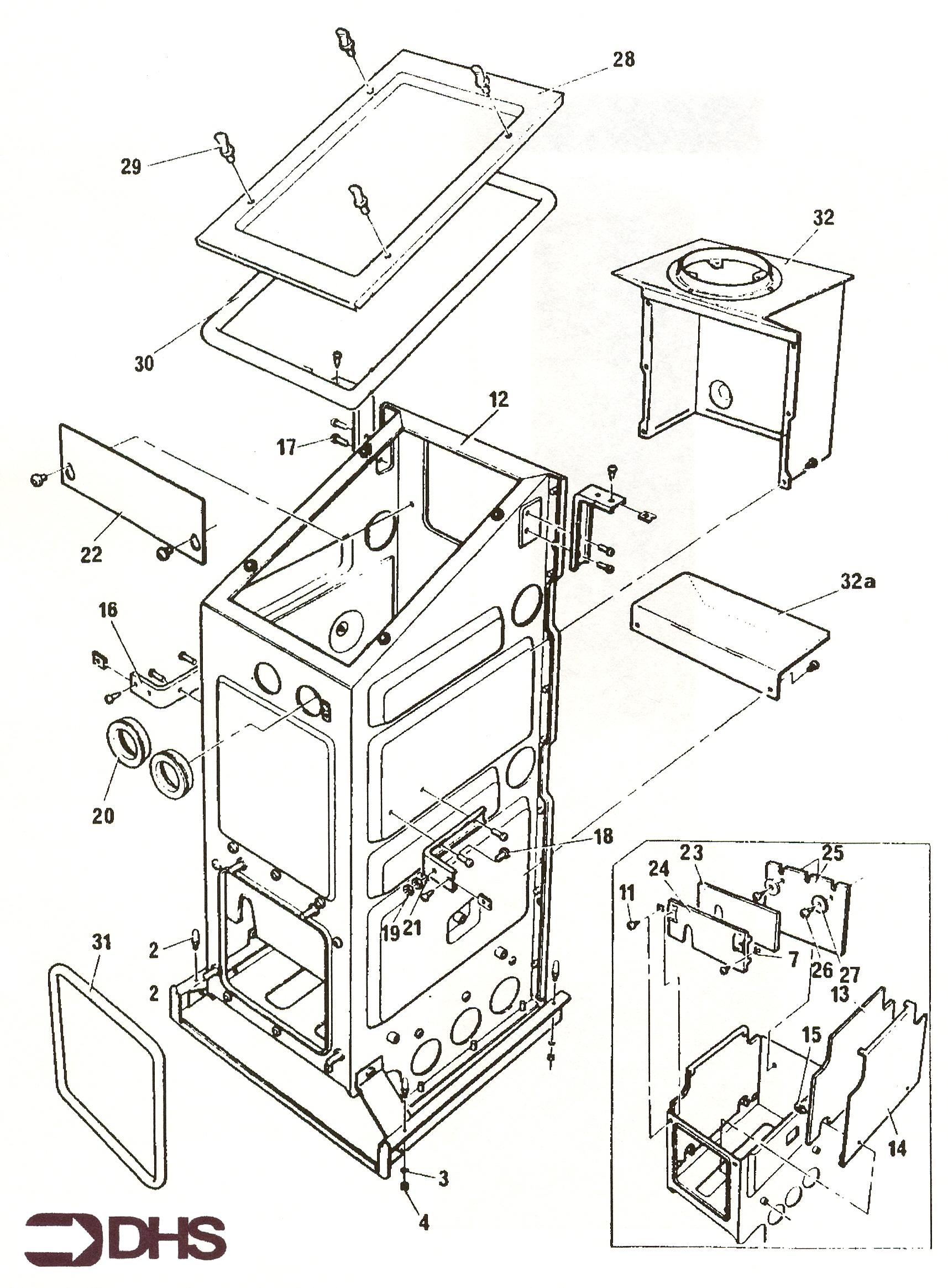
Baxi Floor Standing OF 801S / BOX COMBUSTION (Page 2)

Brand: Baxi Range: Floor Standing Model: OF 801S GC Number: 41-077-16

We have a range of spare parts for the Baxi Floor Standing OF 801S. Can't find the part you're looking for? You can contact us and a member of our team will be more than happy to help find the part you need.

All of our boiler manuals are free to download from our boiler manuals section

015

BAXI 062708 SCR SET M5X16MM PAN HD PZ ZNPD

Part No: 1110674 MPN: 062708

Sorry, this part is now obsolete

View Part Details
020

BAXI 112008 GROMMET SEAL BOILER

Part No: 1111128 MPN: 112008

Sorry, this part is now obsolete

View Part Details
021

BAXI 062451 WASHER SHAKEPROOF.INT M4 ZN PD

Part No: 1110588 MPN: 062451

Sorry, this part is now obsolete

View Part Details
028

BAXI 110014 PANEL INSPEC.COMB.BOX ALL FS

Part No: 1111058 MPN: 110014

Sorry, this part is now obsolete

View Part Details
031

BAXI 112057 SEAL PANEL DOOR 9.5MMX240MM DI

Part No: 1111182 MPN: 112057

Sorry, this part is now obsolete

View Part Details
20 products found