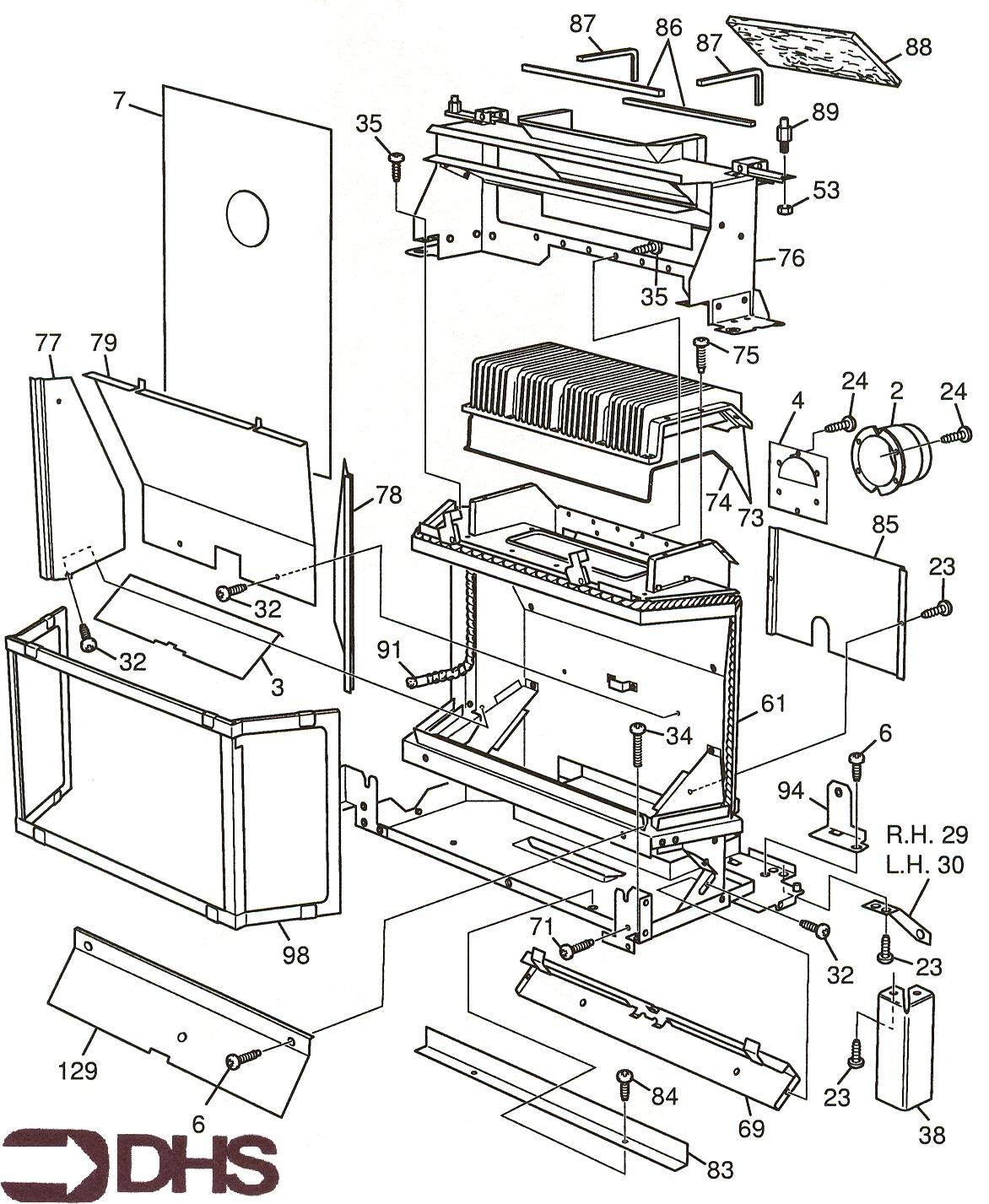
Glowworm Chartwell Fire Front / HEAT EXCHANGER (Page 2)
Brand: Glowworm Range: CHARTWELL Model: Fire Front GC Number: 37-314-08
We have a wide range of spare parts for the Glowworm Chartwell Fire Front. Can't find the part you're looking for? You can contact us and a member of our team will be more than happy to help find the part you need.
All of our boiler manuals are free to download from our boiler manuals section
