BRAVA / FITTINGS

041

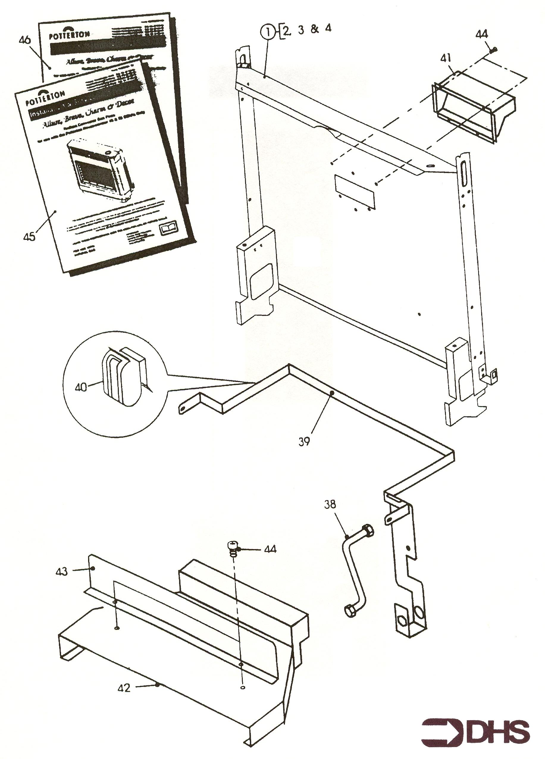
MAIN 960/1063 SPIGOT ASSY

Part No: 1161680 MPN: 960/1063

Sorry, this part is now obsolete

View Part Details
040

MAIN S/76/17 CABLE CLIP

Part No: 1162082 MPN: S/76/17

Sorry, this part is now obsolete

View Part Details
042

POTTERTON 960A/6998 INLET DUCT ASSY

Part No: 1125147 MPN: 960A/6998

Sorry, this part is now obsolete

View Part Details
043

MAIN 960/2715 SHIELD

Part No: 1161716 MPN: 960/2715

Sorry, this part is now obsolete

View Part Details
POTTERTON 612828 SCREWNO8X9.5 ABPAN POZ SN 044

POTTERTON 612828 SCREWNO8X9.5 ABPAN POZ SN

Part No: 1123977 MPN: 612828

Sorry, this part is now obsolete

View Part Details
001

MAIN 960/1176 BACK CASING ASSY

Part No: 1161683 MPN: 960/1176

Sorry, this part is now obsolete

View Part Details
6 products found