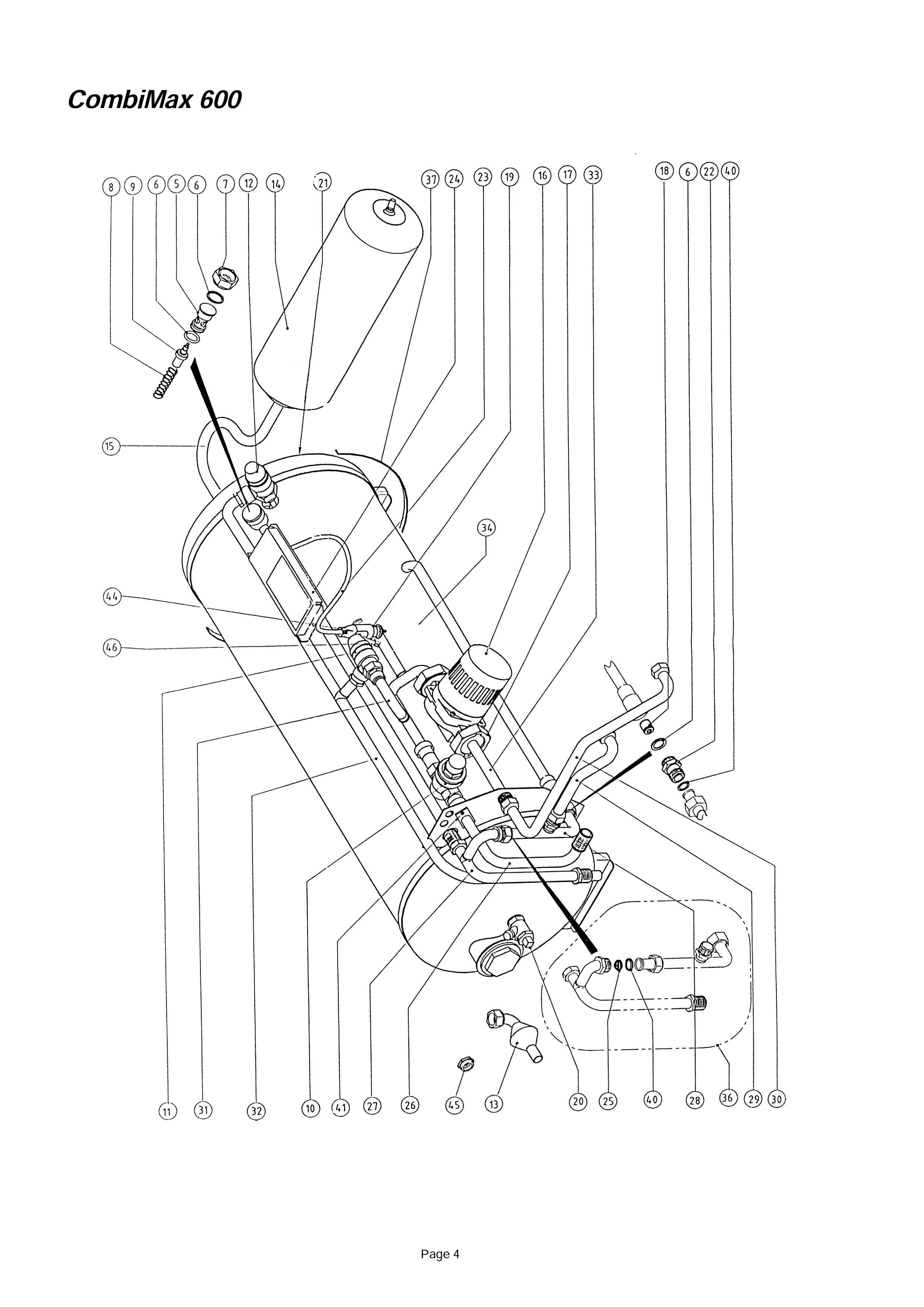
Alpha Combi Max 600 / BOILER ASSY
Brand: Alpha Range: Combi Max Model: 600
Here you will find all the spare parts for the Alpha Combi Max 600. Can't find the part you're looking for? You can contact us and a member of our team will be more than happy to help find the part you need.
All of our boiler manuals are free to download from our boiler manuals section
