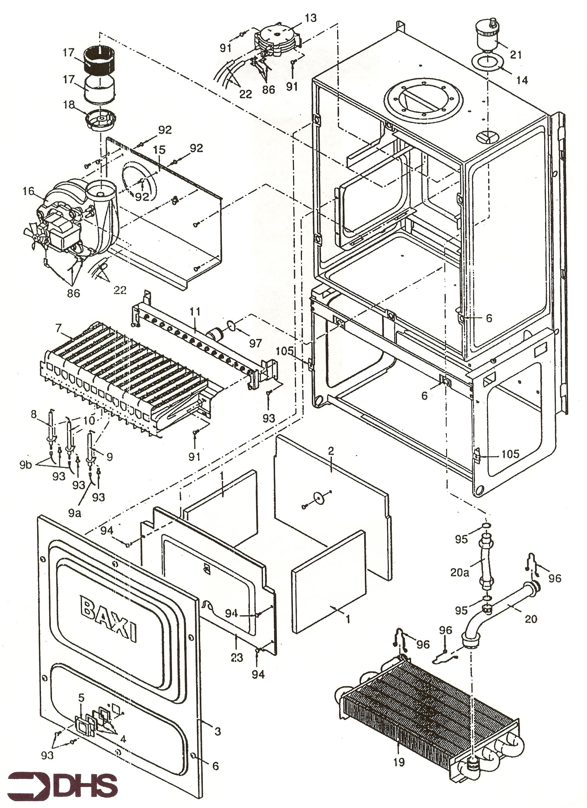
Baxi Bahama 100 (Sit) / COMBUSTION BOX
Brand: Baxi Range: Bahama Model: 100 (SIT) GC Number: 47-075-01
Here you will find all the spare parts for the Baxi Bahama 100 (Sit). Can't find the part you're looking for? You can contact us and a member of our team will be more than happy to help find the part you need.
All of our boiler manuals are free to download from our boiler manuals section
