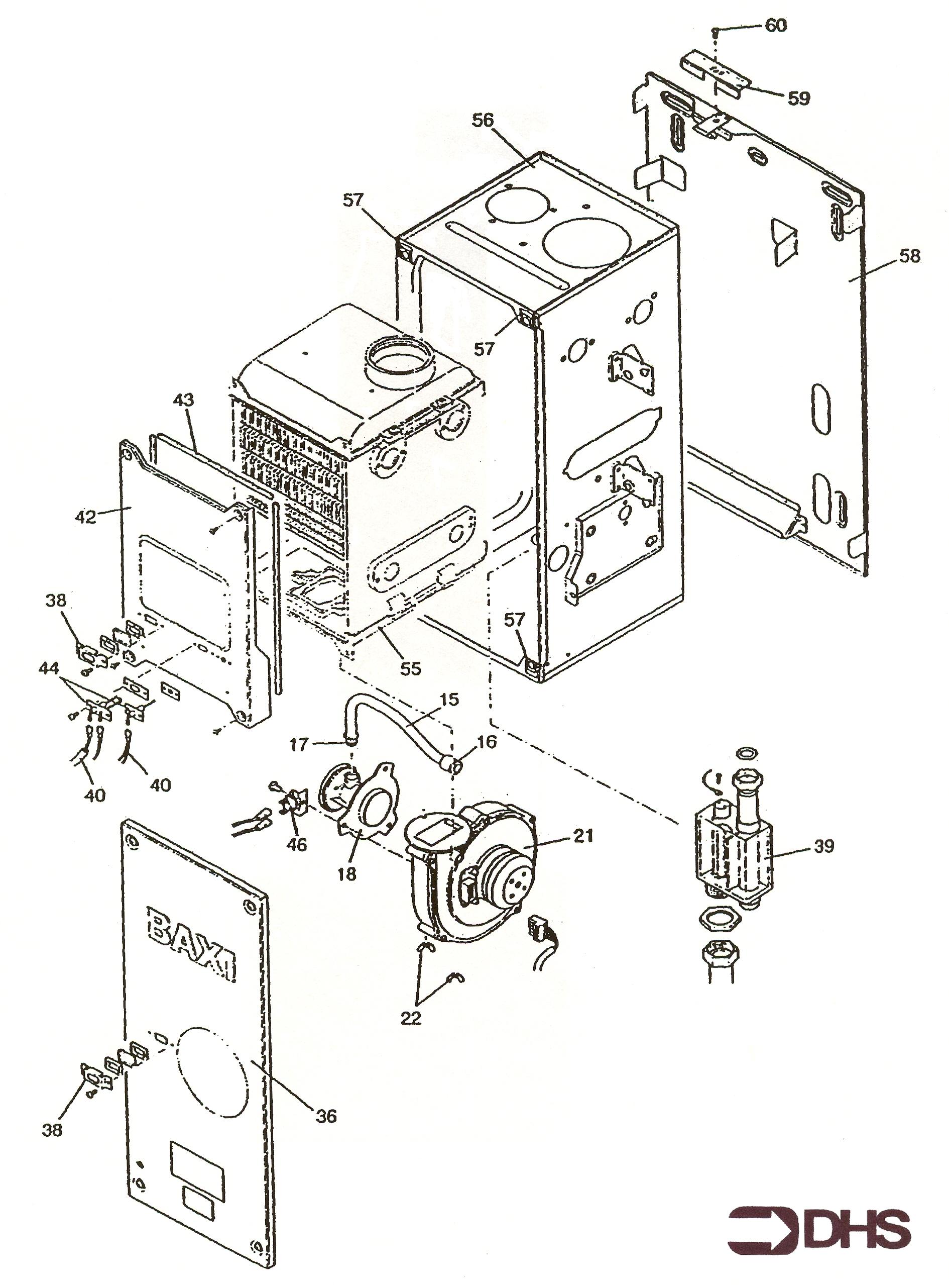
Baxi Barcelona / AIR BOX
Brand: Baxi Range: Barcelona GC Number: 41-075-02
We have a range of spare parts for the Baxi Barcelona. Can't find the part you're looking for? You can contact us and a member of our team will be more than happy to help find the part you need.
All of our boiler manuals are free to download from our boiler manuals section
