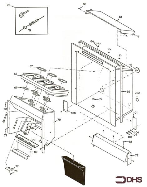
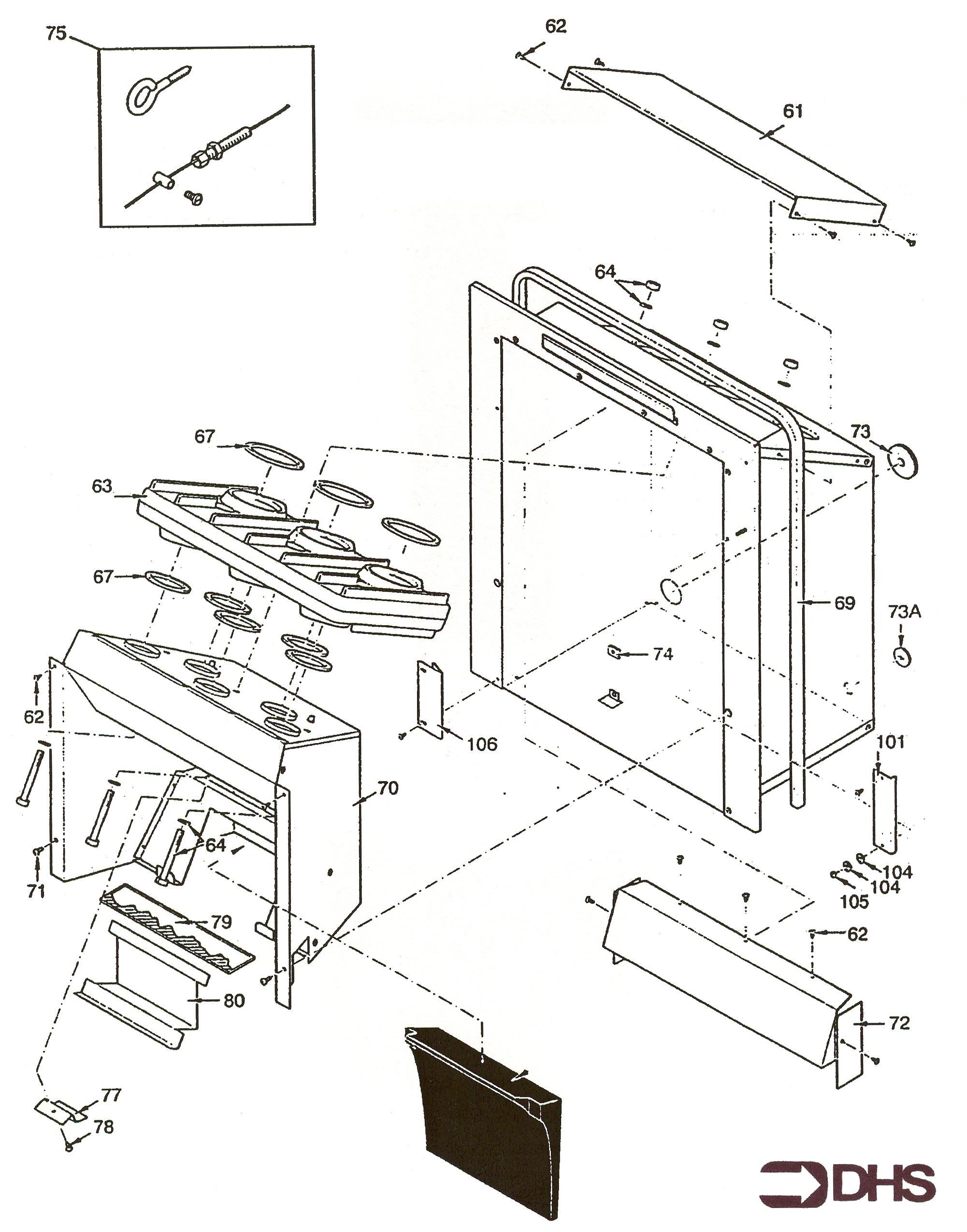
Baxi Belgravia Deluxe / BOX COMBUSTION
Brand: Baxi Range: Belgravia Model: Deluxe GC Number: 32-075-09
We have a range of spare parts for the Baxi Belgravia Deluxe. Can't find the part you're looking for? You can contact us and a member of our team will be more than happy to help find the part you need.
All of our boiler manuals are free to download from our boiler manuals section
