Baxi Boston OF 70 / BOX COMBUSTION
Brand: Baxi Range: Boston Model: OF 70 GC Number: 41-077-64
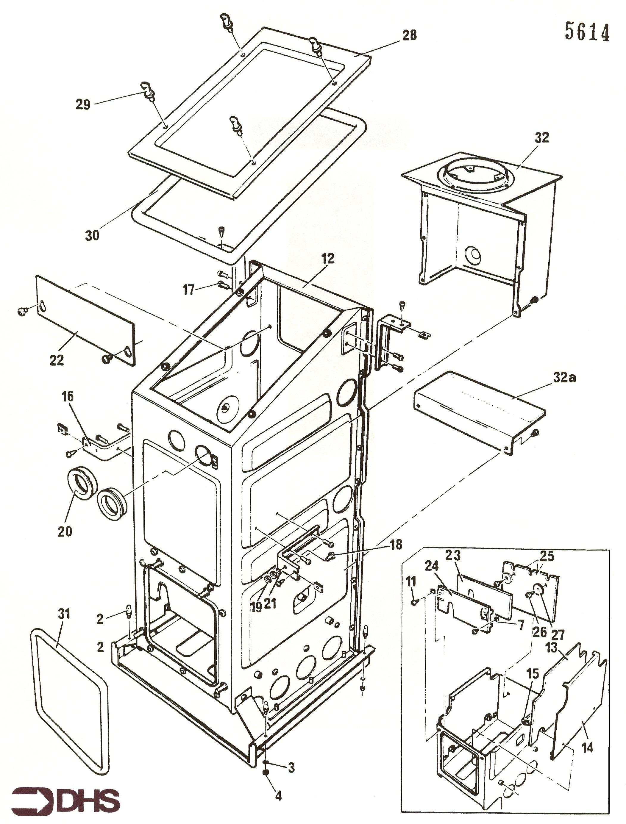
We offer a wide range of spare parts for the Baxi Boston OF 70. Can't find the part you're looking for? You can contact us and a member of our team will be more than happy to help find the part you need.
All of our boiler manuals are free to download from our boiler manuals section
