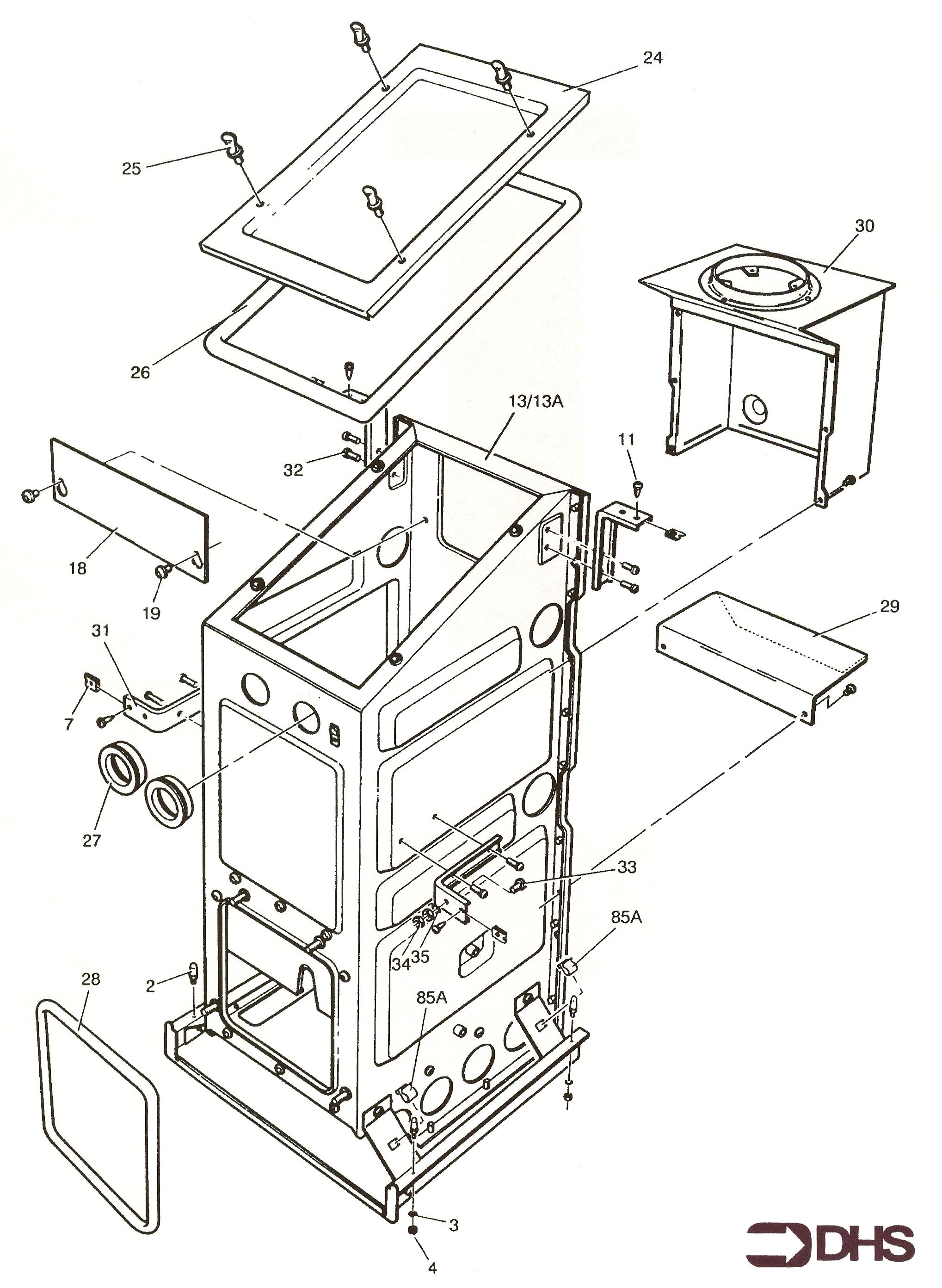
Baxi Boston 2 OF 50 / COMBUSTION BOX
Brand: Baxi Range: Boston 2 Model: OF 50 GC Number: 41-077-81
Here you will find all the spare parts for the Baxi Boston 2 OF 50. Can't find the part you're looking for? You can contact us and a member of our team will be more than happy to help find the part you need.
All of our boiler manuals are free to download from our boiler manuals section
