Baxi Floor Standing RS 501S / BOX COMBUSTION
Brand: Baxi Range: Floor Standing Model: RS 501S GC Number: 41-077-12
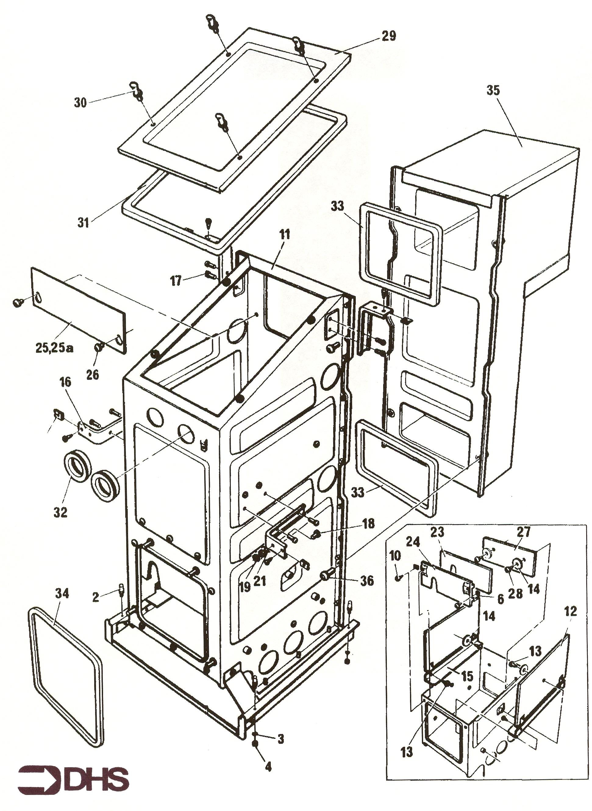
Here you will find all the spare parts for the Baxi Floor Standing RS 501S. Can't find the part you're looking for? You can contact us and a member of our team will be more than happy to help find the part you need.
Installation ManualAll of our boiler manuals are free to download from our boiler manuals section
010
Baxi 062571 Screw St No8 x 1/2 Pan.Hd Pz Zinc Plated A - Bermuda/Boston/Gas Flam
Part No: 1110616 MPN: 062571
028
Baxi 062583 Screw Tf M5 x 10mm Pn Hd Pz S Zinc Plated - Boston/Bermuda/Solo HE
Part No: 1110620 MPN: 062583
017 Baxi 062683 Screw St No 8 x 1/4 Flhd Pozi Zinc Plated - Bermuda/Boston/Solo 3
Part No: 1110662 MPN: 062683
