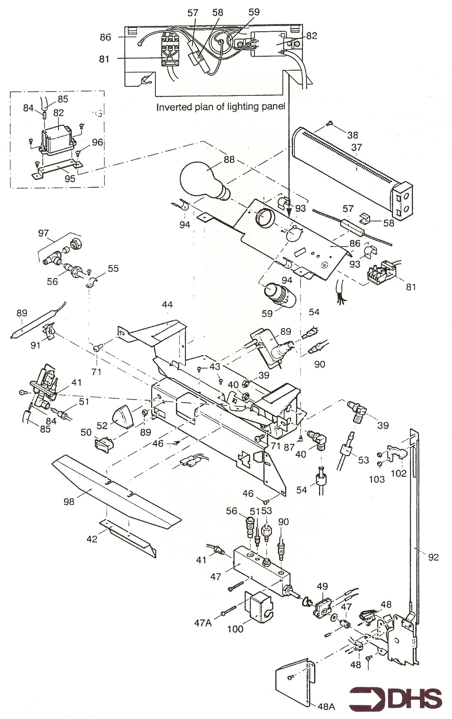
Baxi Kingston Deluxe / CONTROLS ASSY
Brand: Baxi Range: Kingston Model: Deluxe GC Number: 32-075-08
We offer a wide range of spare parts for the Baxi Kingston Deluxe. Can't find the part you're looking for? You can contact us and a member of our team will be more than happy to help find the part you need.
All of our boiler manuals are free to download from our boiler manuals section
