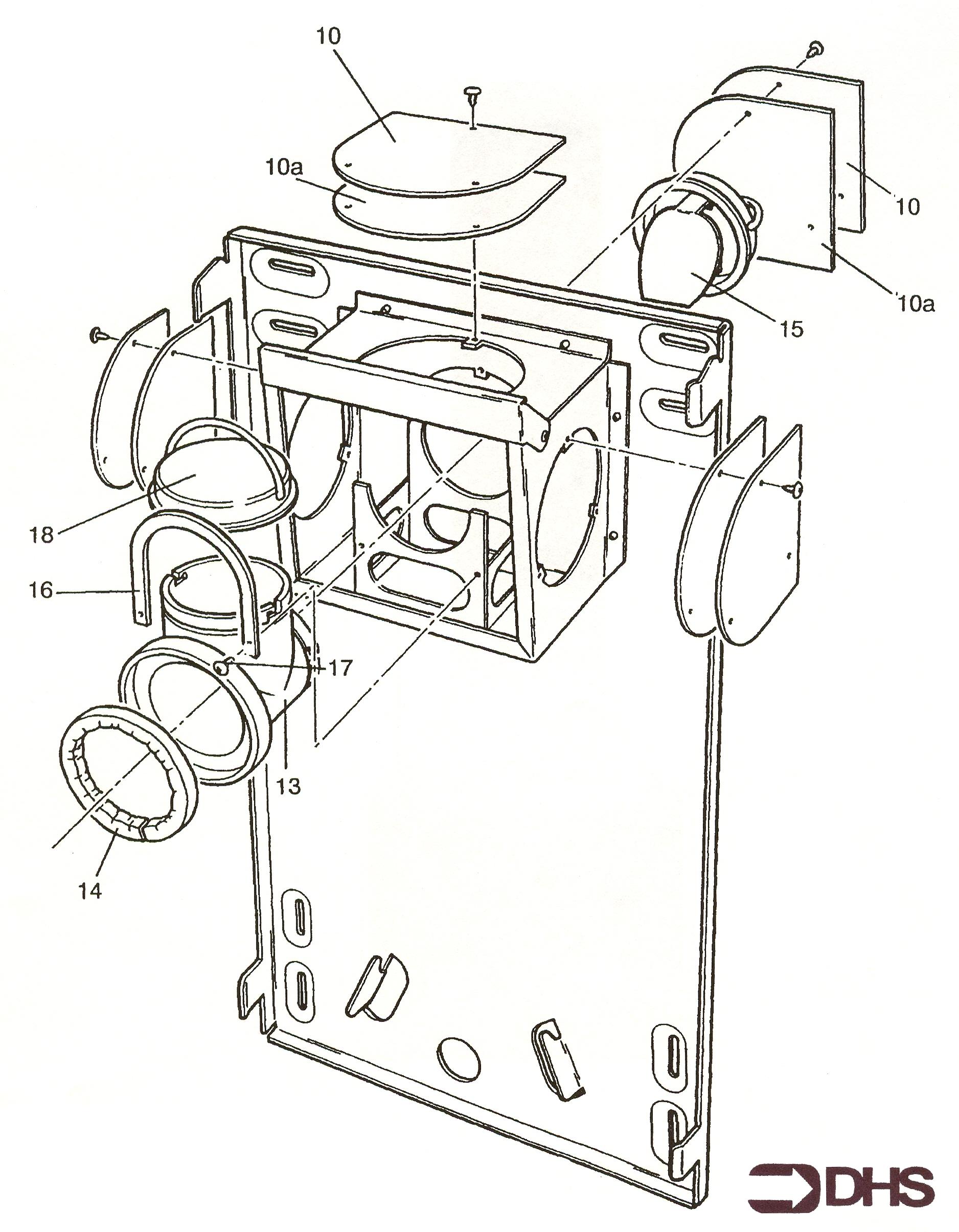
Baxi Solo 2 PF 30 / AIRBOX
Brand: Baxi Range: Solo 2 Model: PF 30 GC Number: 41-077-71
We have a wide range of spare parts for the Baxi Solo 2 PF 30. Can't find the part you're looking for? You can contact us and a member of our team will be more than happy to help find the part you need.
All of our boiler manuals are free to download from our boiler manuals section
