Baxi Solo 2 RS 60 / BOX COMBUSTION
Brand: Baxi Range: Solo 2 Model: RS 60 GC Number: 41-077-79
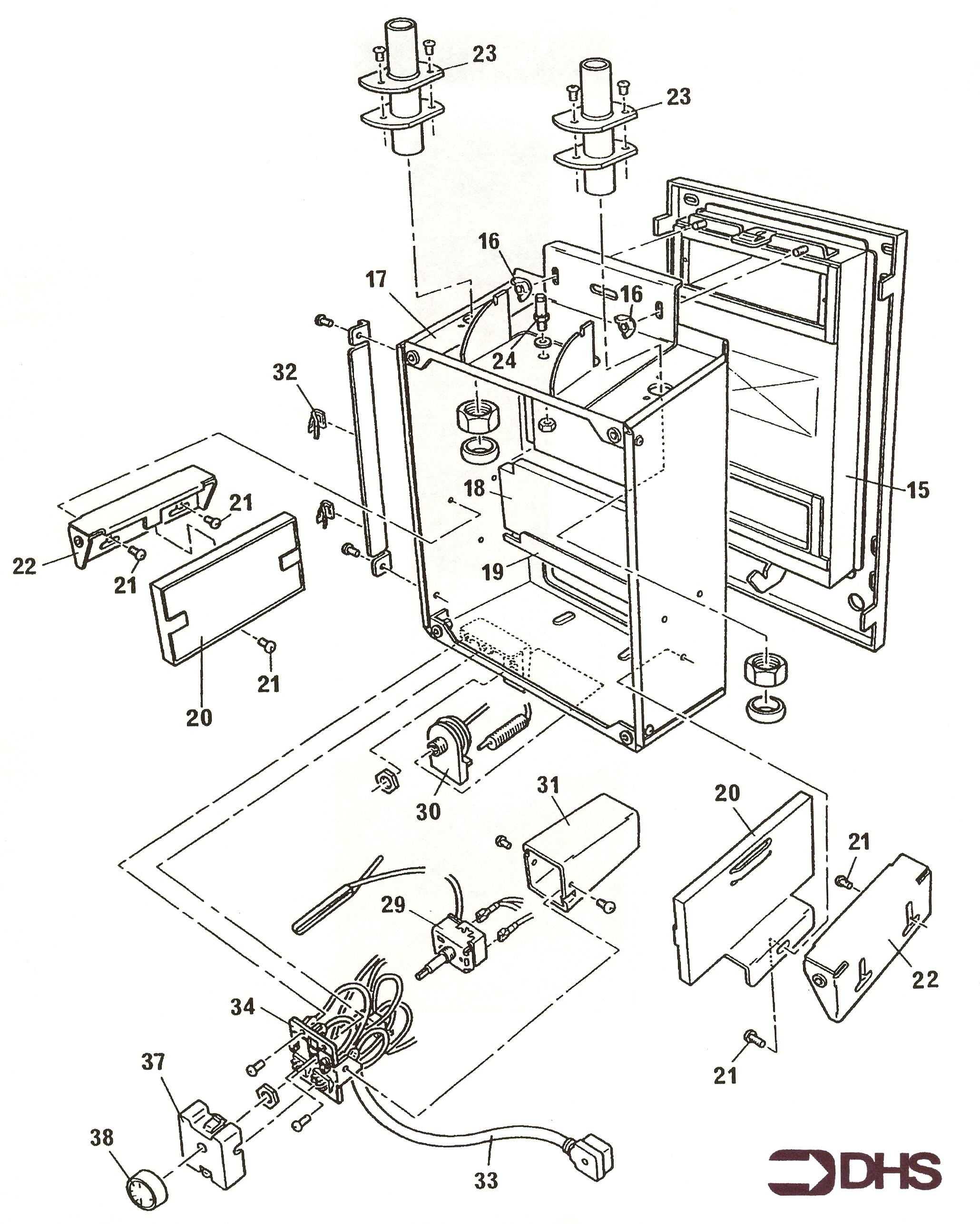
Here you will find all the spare parts for the Baxi Solo 2 RS 60. Can't find the part you're looking for? You can contact us and a member of our team will be more than happy to help find the part you need.
All of our boiler manuals are free to download from our boiler manuals section
