Baxi Solo 3 PF 50 / CONTROLS
Brand: Baxi Range: Solo 3 Model: PF 50 GC Number: 41-075-06
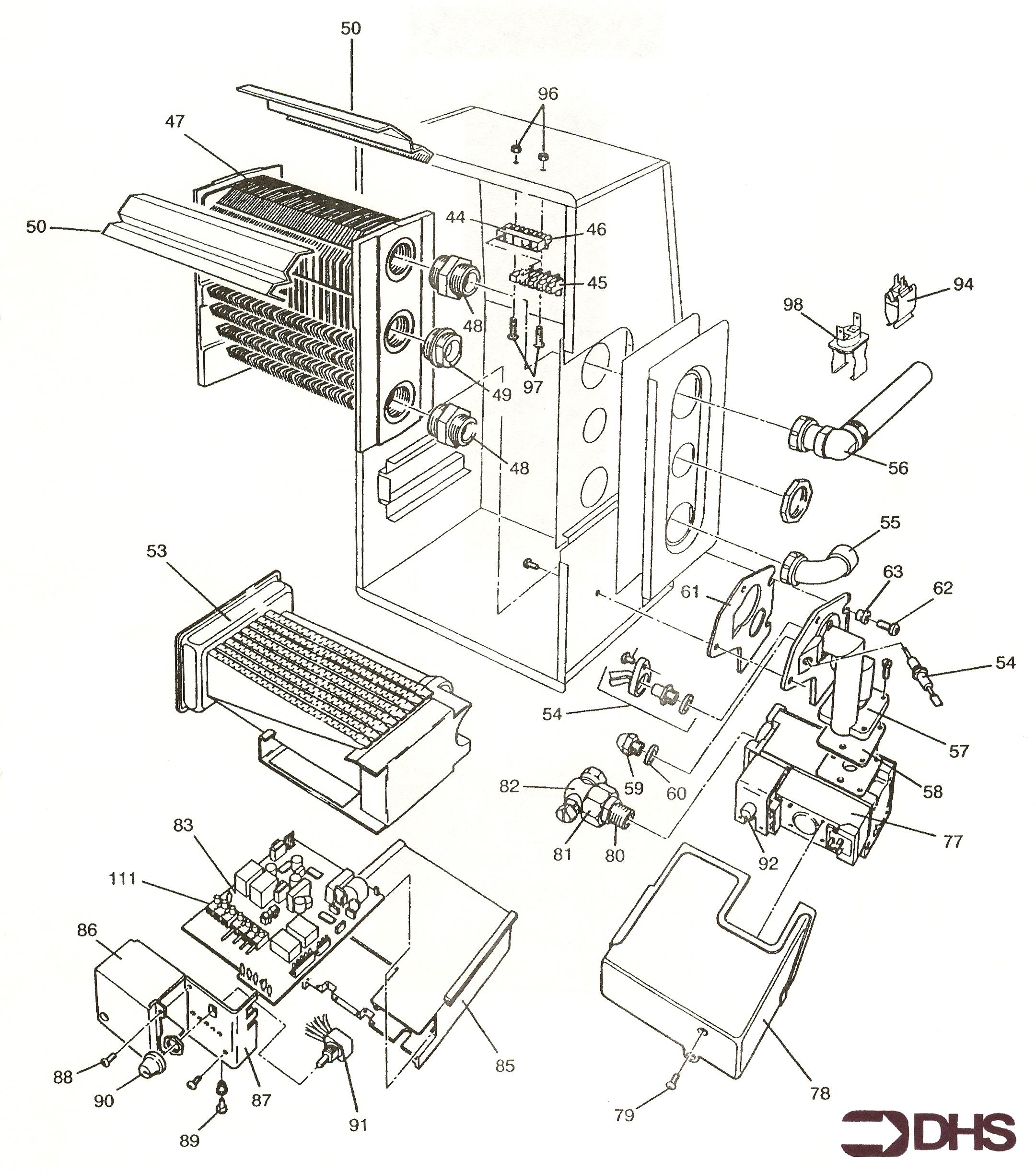
We have a range of spare parts for the Baxi Solo 3 PF 50. Can't find the part you're looking for? You can contact us and a member of our team will be more than happy to help find the part you need.
All of our boiler manuals are free to download from our boiler manuals section
