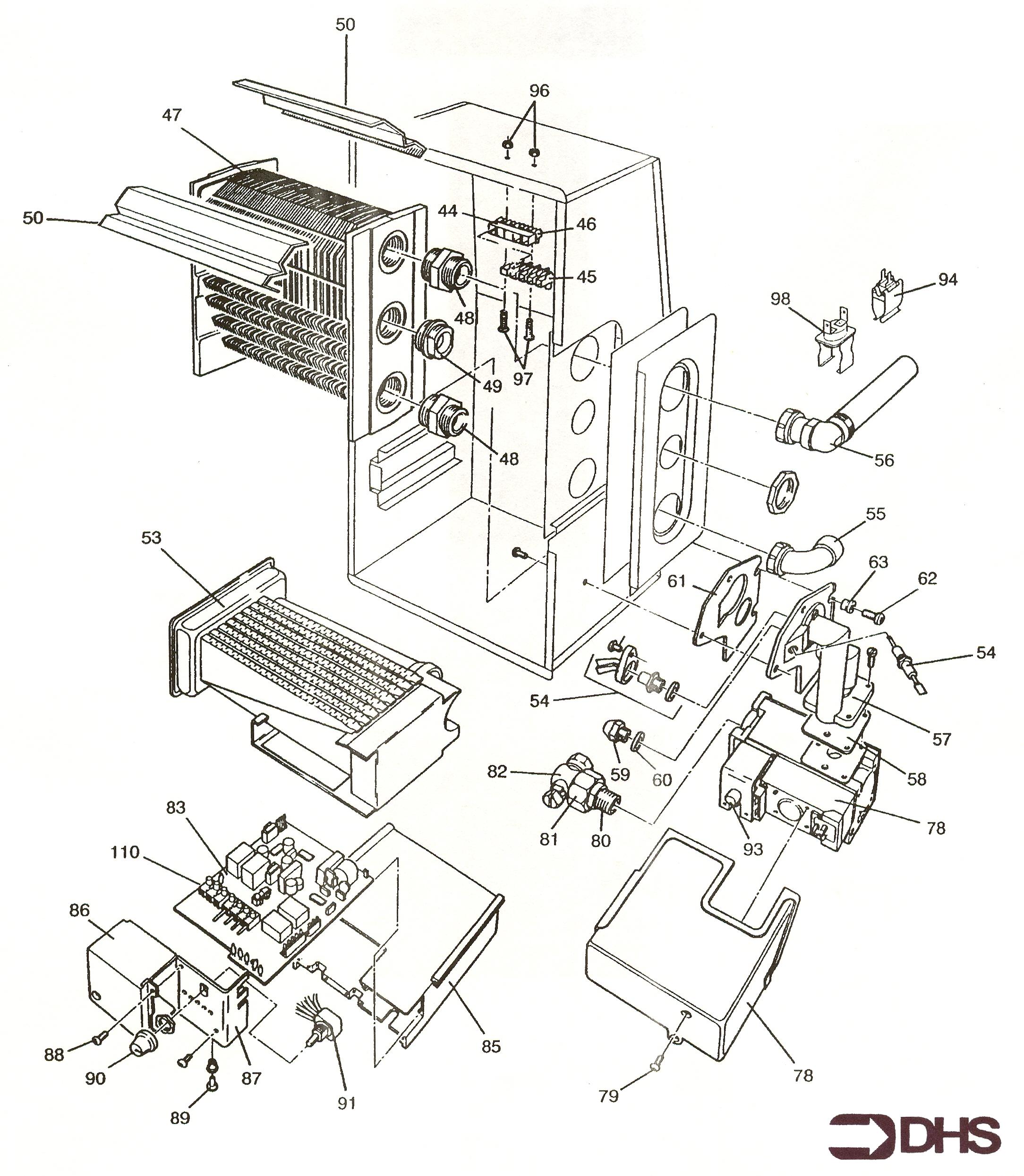
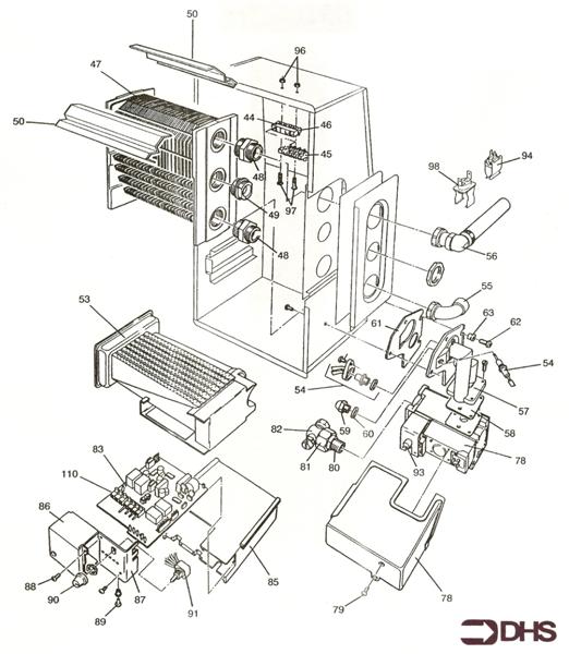
Baxi Solo 3 PF 60 / CONTROLS
Brand: Baxi Range: Solo 3 Model: PF 60 GC Number: 41-075-07
Here you will find all the spare parts for the Baxi Solo 3 PF 60. Can't find the part you're looking for? You can contact us and a member of our team will be more than happy to help find the part you need.
All of our boiler manuals are free to download from our boiler manuals section
