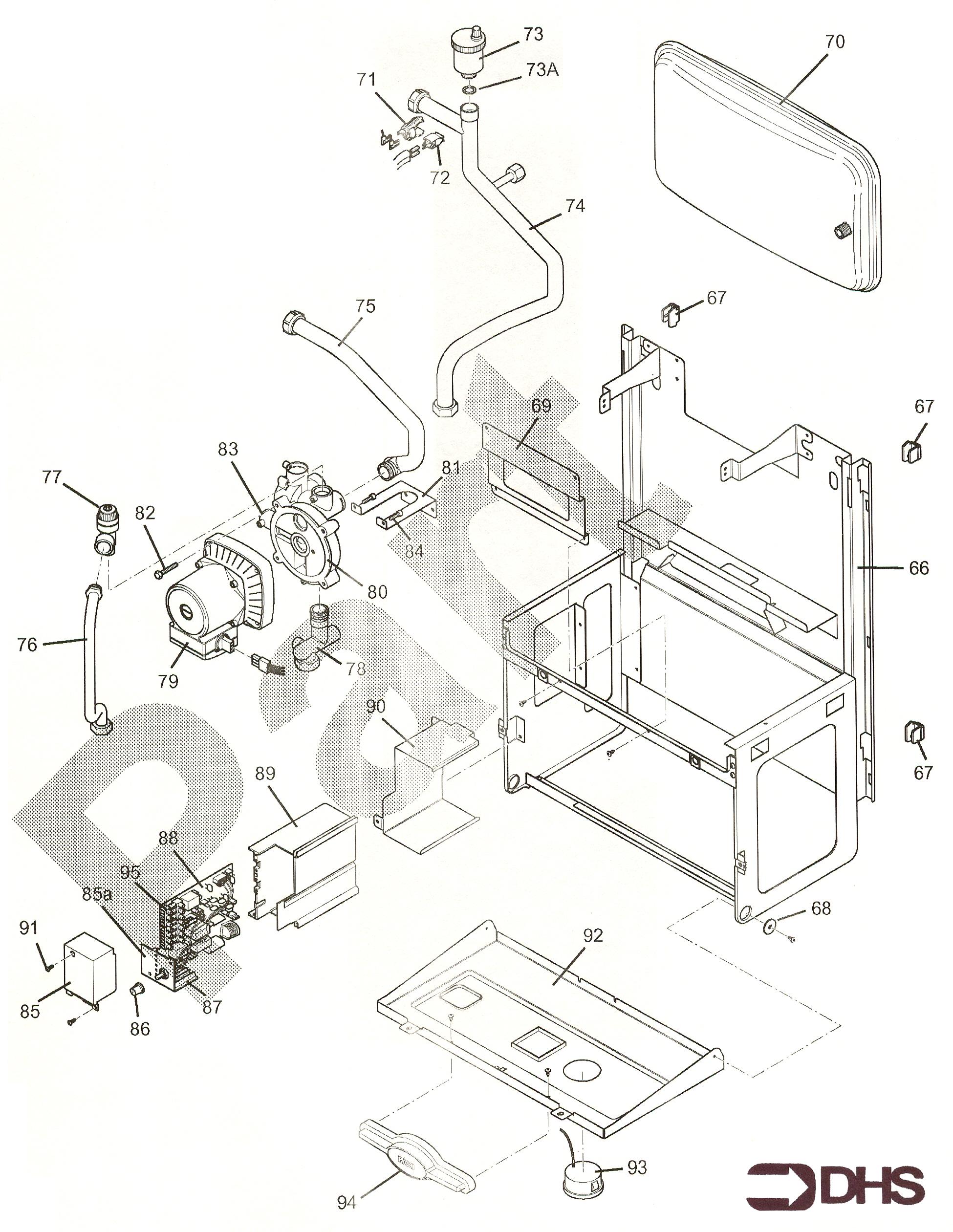
Baxi Solo 3 PFL System 70 / CONTROLS & HYDRAULICS
Brand: Baxi Range: Solo 3 Model: PFL System 70 GC Number: 41-075-29
Here you can find the spare parts for the Baxi Solo 3 PFL System 70. Can't find the part you're looking for? You can contact us and a member of our team will be more than happy to help find the part you need.
All of our boiler manuals are free to download from our boiler manuals section
