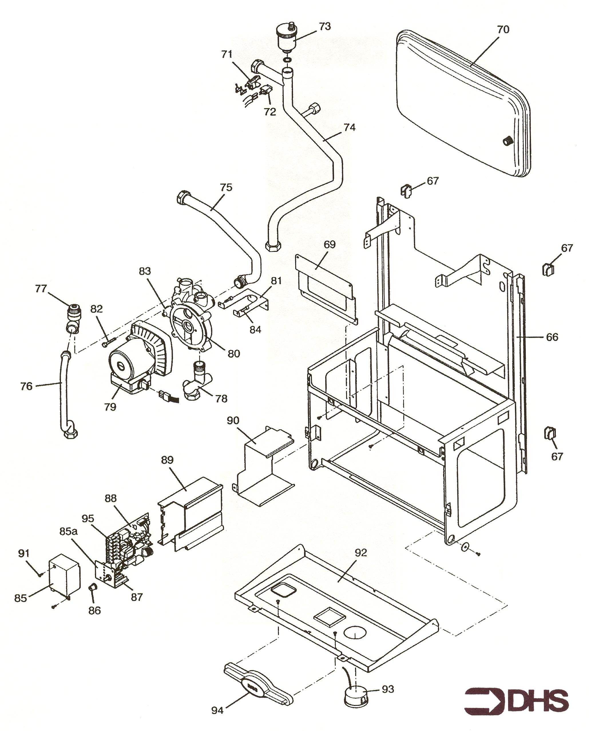
Baxi Solo 3 Pf System 30 / CONTROLS & HYDRAULICS
Brand: Baxi Range: Solo 3 Model: PF System 30 GC Number: 41-075-12
We offer a wide range of spare parts for the Baxi Solo 3 Pf System 30. Can't find the part you're looking for? You can contact us and a member of our team will be more than happy to help find the part you need.
All of our boiler manuals are free to download from our boiler manuals section
