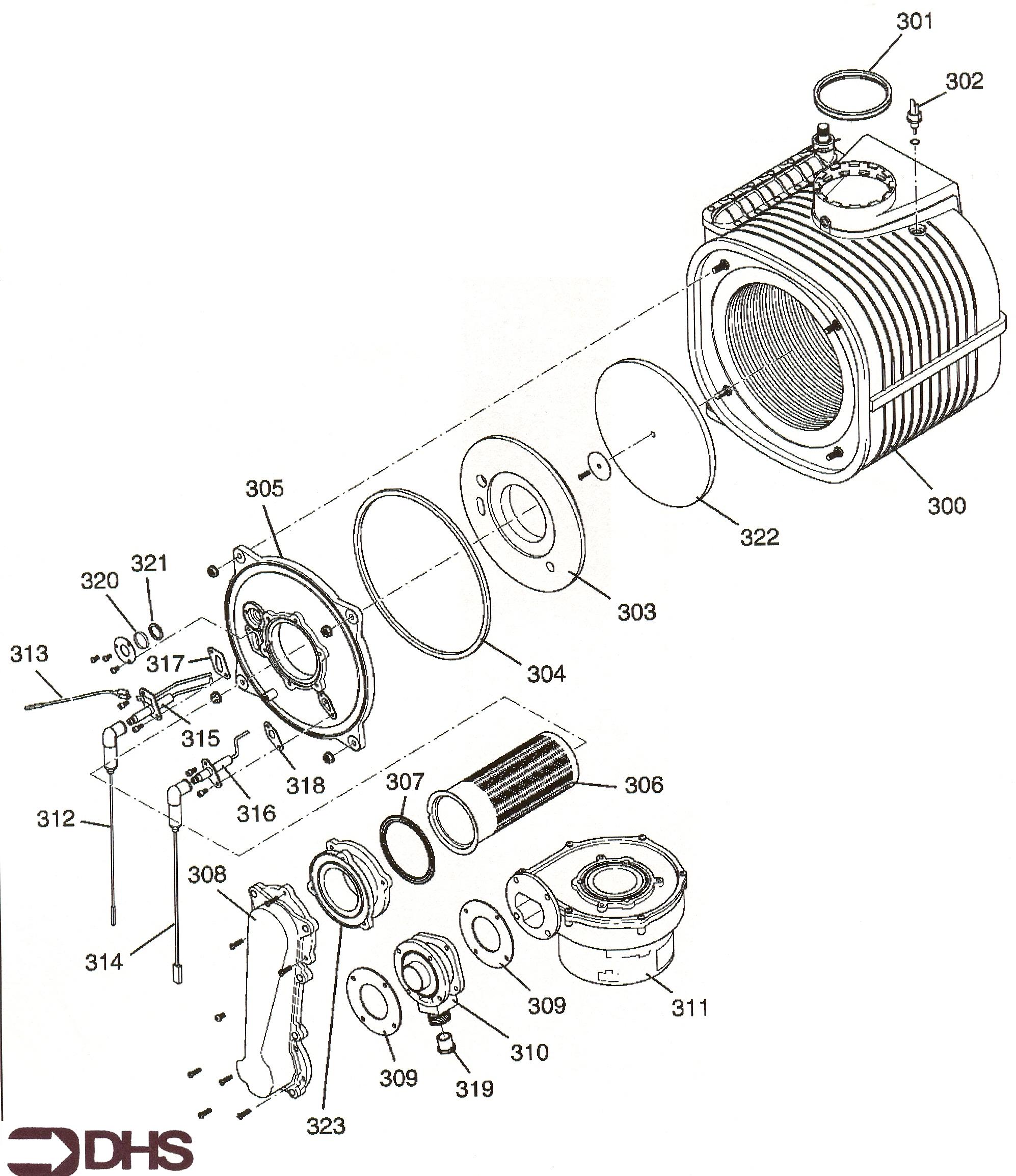
Potterton Gold Combi 24HE / HEAT EXCH
Brand: Potterton Range: Gold Model: Combi 24HE GC Number: 47-590-05
Here you will find all the spare parts for the Potterton Gold Combi 24HE. Can't find the part you're looking for? You can contact us and a member of our team will be more than happy to help find the part you need.
Installation ManualAll of our boiler manuals are free to download from our boiler manuals section
