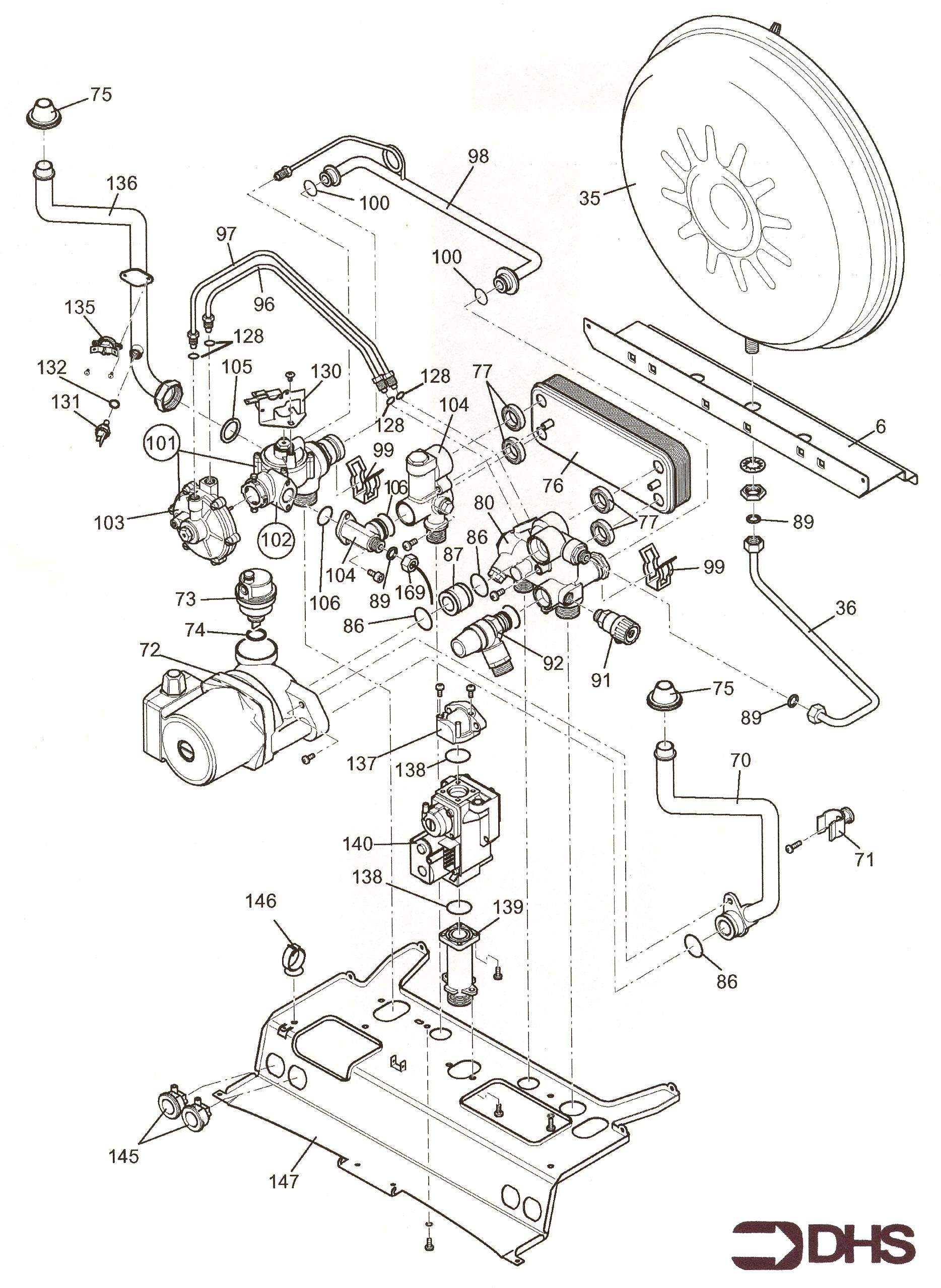
Potterton Performa 24 / HYDRAULICS
Brand: Potterton Range: PERFORMA Model: 24 GC Number: 47-393-06
Here you will find all the spare parts for the Potterton Performa 24. Can't find the part you're looking for? You can contact us and a member of our team will be more than happy to help find the part you need.
All of our boiler manuals are free to download from our boiler manuals section
