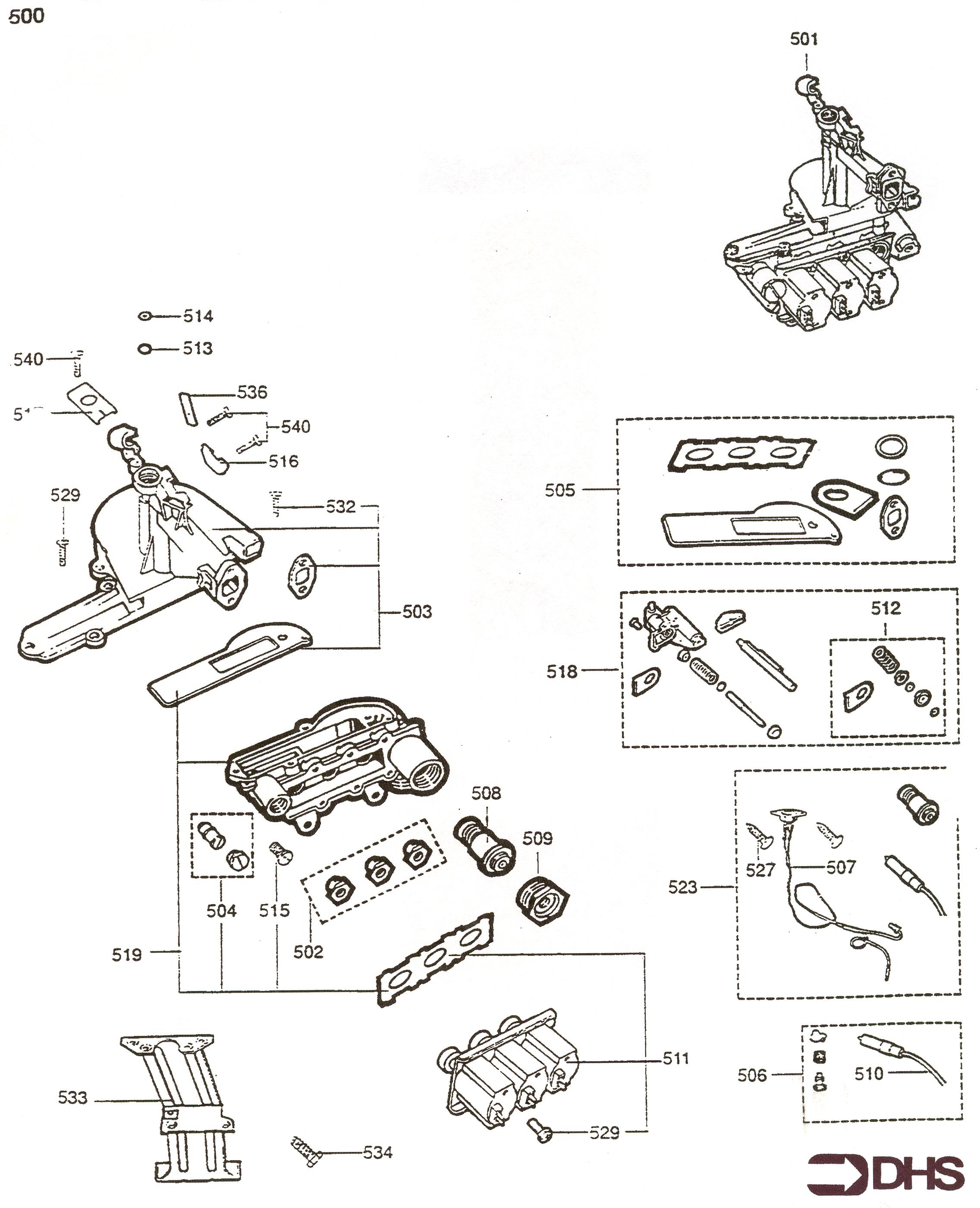
Chaffoteaux Sterling OF / GAS SECTION & BURNER BASE
Brand: Chaffoteaux Range: Sterling Model: OF GC Number: 47-980-10
We offer a wide range of spare parts for the Chaffoteaux Sterling OF. Can't find the part you're looking for? You can contact us and a member of our team will be more than happy to help find the part you need.
All of our boiler manuals are free to download from our boiler manuals section
