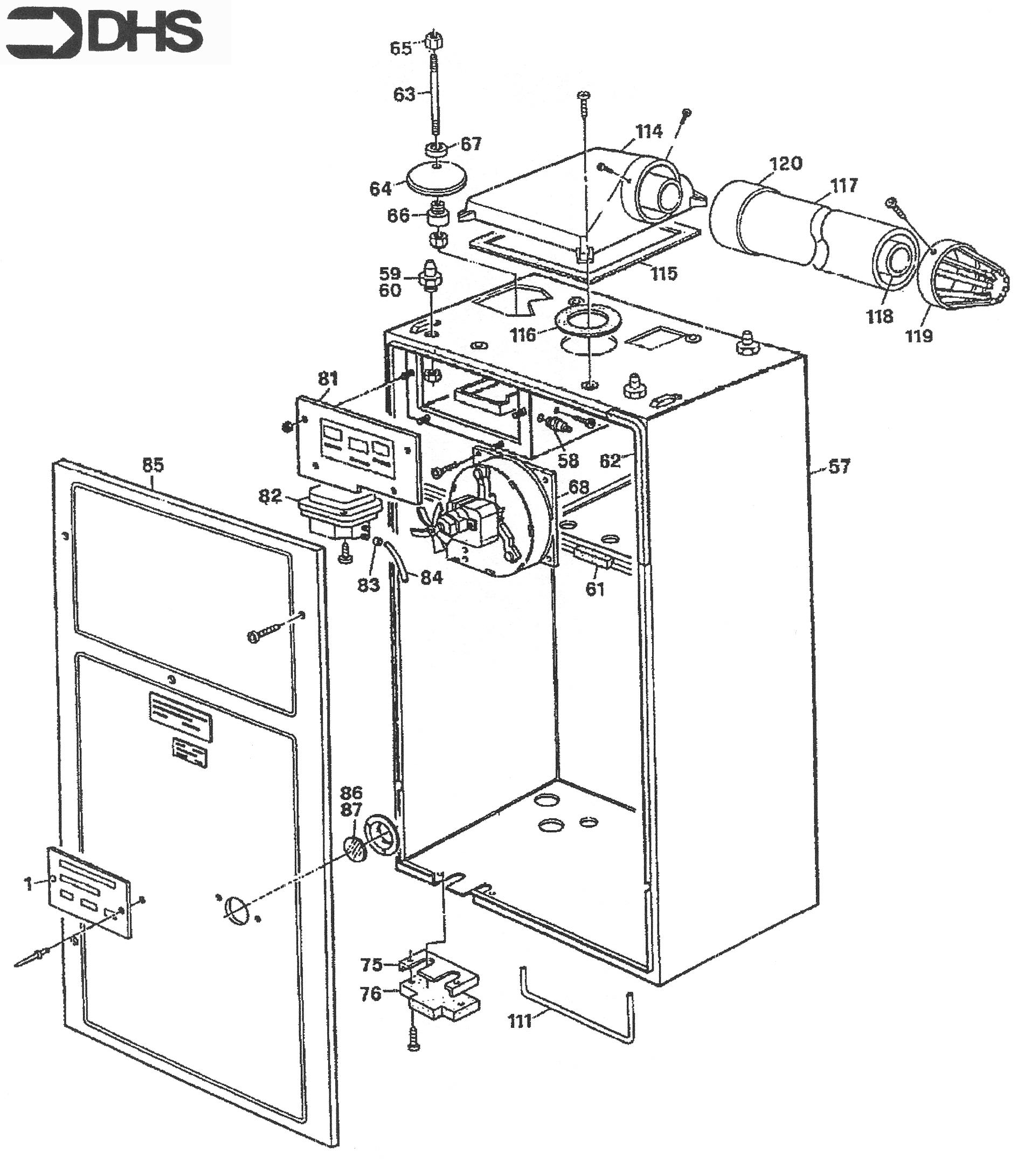
Ferroli Combi 77 FF Popular / ROOM SEALED COMPARTMENT
Brand: Ferroli Range: Combi Model: 77 FF POPULAR GC Number: 47-267-06
We have a range of spare parts for the Ferroli Combi 77 FF Popular. Can't find the part you're looking for? You can contact us and a member of our team will be more than happy to help find the part you need.
All of our boiler manuals are free to download from our boiler manuals section
