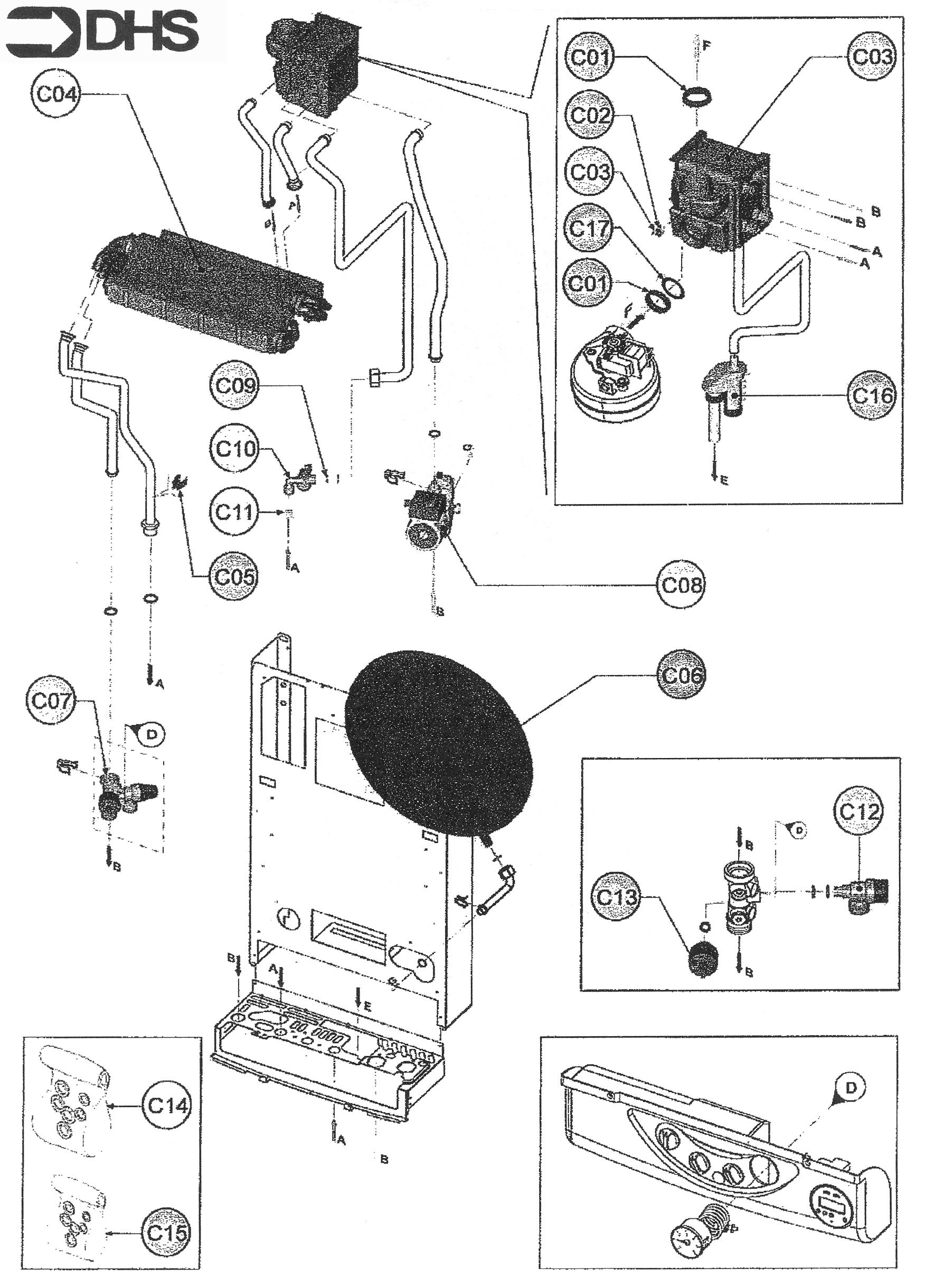
Ferroli F30 B / HEAT EXCHANGER & PUMP
Brand: Ferroli Range: F30 Model: B GC Number: 47-267-36
We have a range of spare parts for the Ferroli F30 B. Can't find the part you're looking for? You can contact us and a member of our team will be more than happy to help find the part you need.
All of our boiler manuals are free to download from our boiler manuals section
