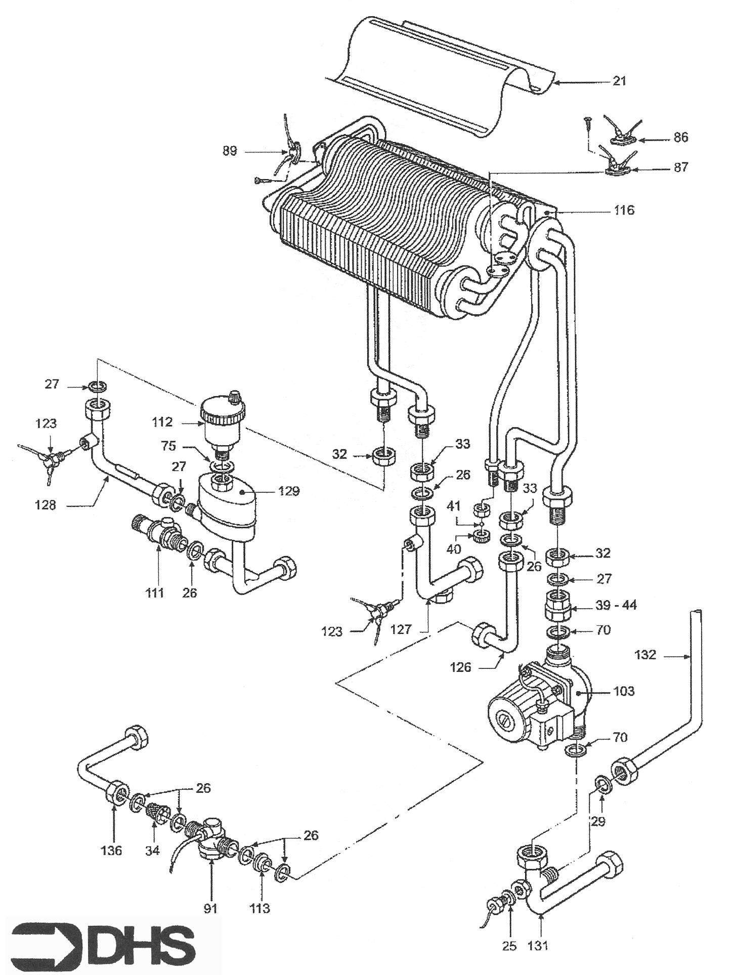
Ferroli Optima 901 / HEAT EXCHANGER & PUMP
Brand: Ferroli Range: Optima Model: 901 GC Number: 47-267-18
Here you will find all the spare parts for the Ferroli Optima 901. Can't find the part you're looking for? You can contact us and a member of our team will be more than happy to help find the part you need.
Installation ManualAll of our boiler manuals are free to download from our boiler manuals section
