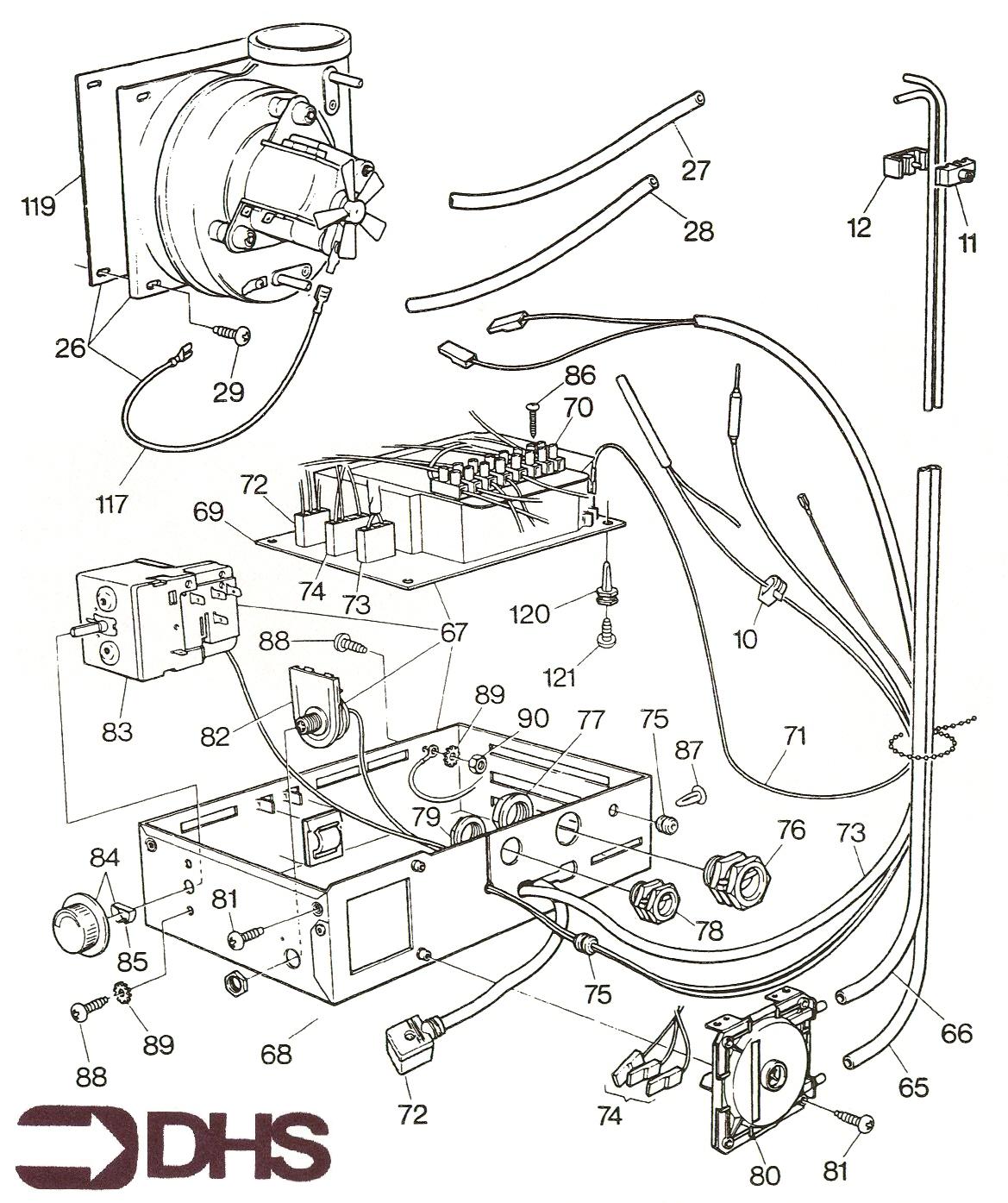
Glowworm Economy Plus 50F / GAS PIPE ASSY
Brand: Glowworm Range: Economy Plus Model: 50F GC Number: 41-319-31
We have a range of spare parts for the Glowworm Economy Plus 50F. Can't find the part you're looking for? You can contact us and a member of our team will be more than happy to help find the part you need.
All of our boiler manuals are free to download from our boiler manuals section
