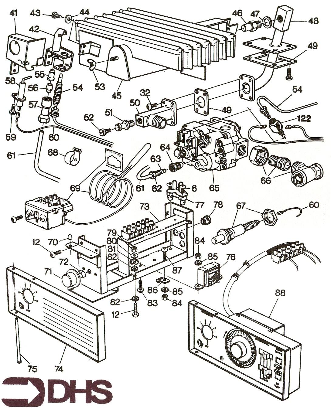
Glowworm Fuelsaver MK2 60 B / THERMOSTAT ASSY
Brand: Glowworm Range: FUELSAVER Model: MK2 60 B GC Number: 41-313-10
We have a range of spare parts for the Glowworm Fuelsaver MK2 60 B. Can't find the part you're looking for? You can contact us and a member of our team will be more than happy to help find the part you need.
All of our boiler manuals are free to download from our boiler manuals section
