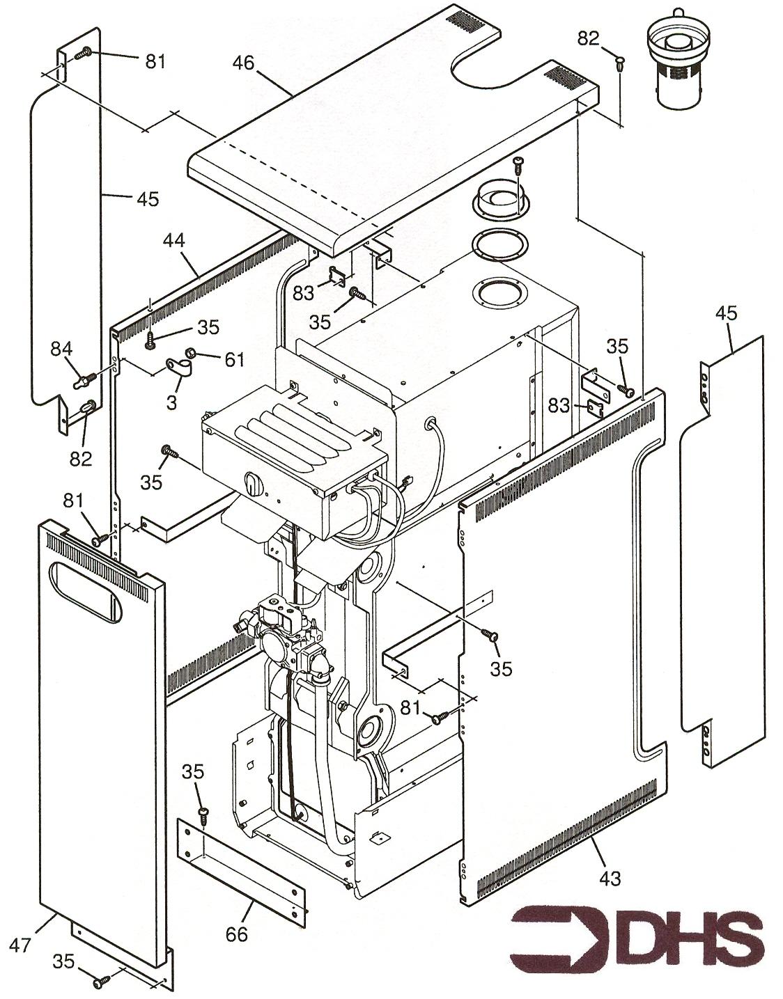
Glowworm Hideaway 40 C FF / CASING
Brand: Glowworm Range: HIDEAWAY Model: 40 C FF GC Number: 41-047-38
We offer a wide range of spare parts for the Glowworm Hideaway 40 C FF. Can't find the part you're looking for? You can contact us and a member of our team will be more than happy to help find the part you need.
All of our boiler manuals are free to download from our boiler manuals section
