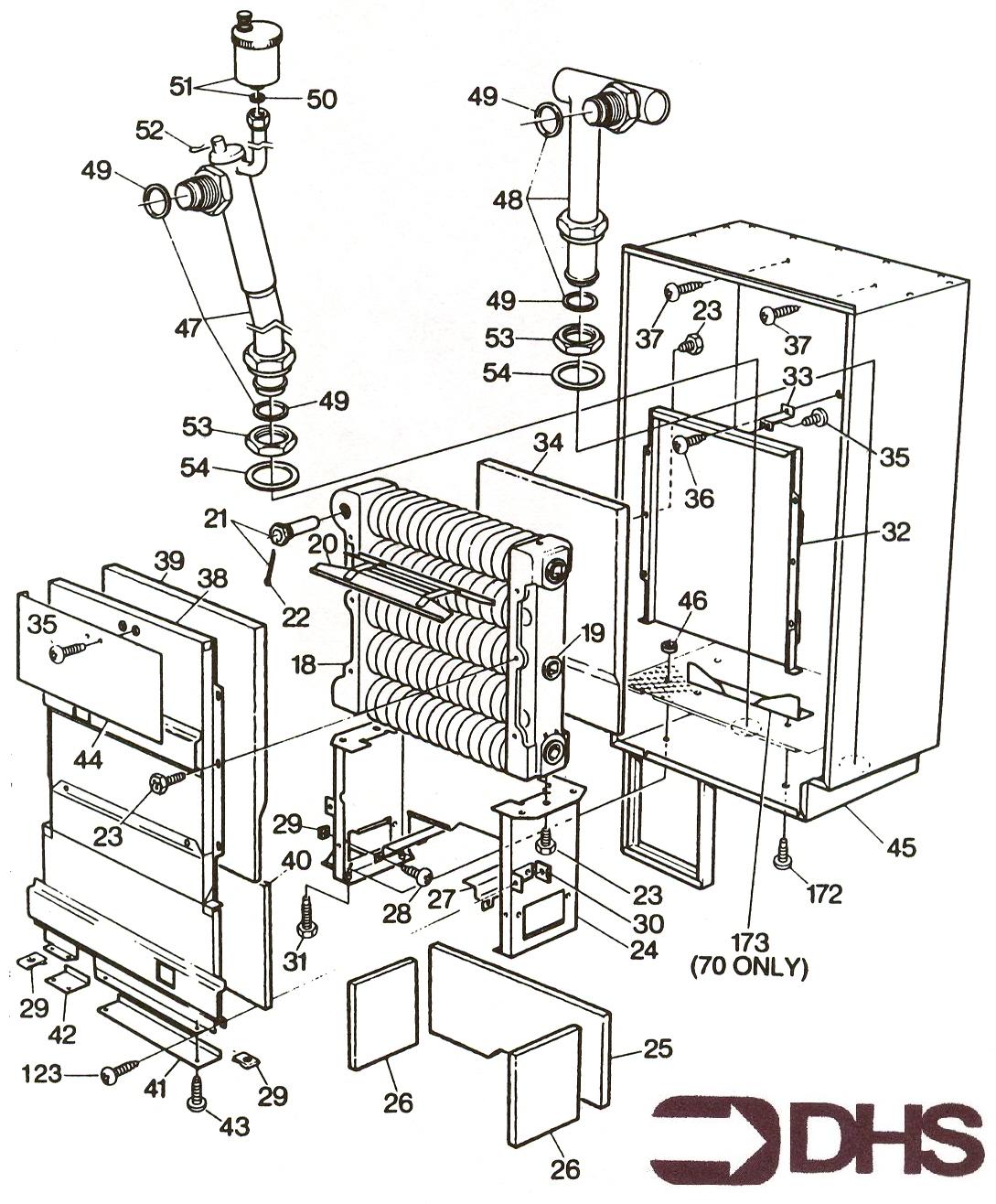
Glowworm Spacesaver Complheat 60 / HEAT EXCHANGER ASSY
Brand: Glowworm Range: SPACESAVER Model: COMPLHEAT 60 GC Number: 41-319-45
We offer a wide range of spare parts for the Glowworm Spacesaver Complheat 60. Can't find the part you're looking for? You can contact us and a member of our team will be more than happy to help find the part you need.
All of our boiler manuals are free to download from our boiler manuals section
