Glowworm Ultimate 50 FF LPG / FAN
Brand: Glowworm Range: ULTIMATE Model: 50 FF LPG GC Number: 41-319-89
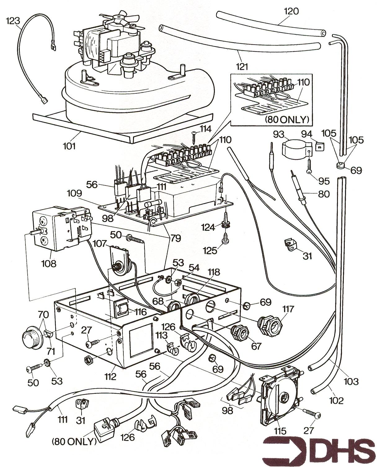
Here you will find all the spare parts for the Glowworm Ultimate 50 FF LPG. Can't find the part you're looking for? You can contact us and a member of our team will be more than happy to help find the part you need.
All of our boiler manuals are free to download from our boiler manuals section
