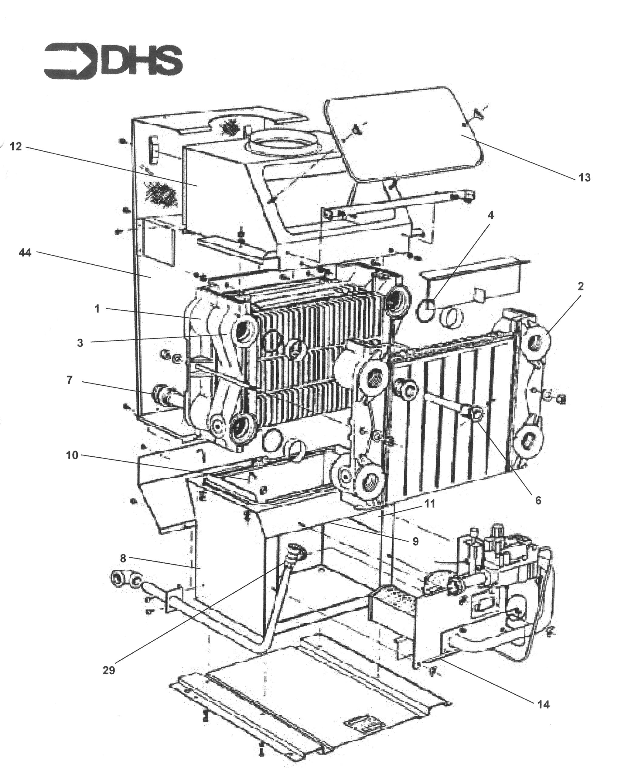
Ideal Domestic Mexico Super CF 75 / BOILER
Brand: Ideal Domestic Range: MEXICO Super Model: CF 75 GC Number: 41-407-42
We have a wide range of spare parts for the Ideal Domestic Mexico Super CF 75. Can't find the part you're looking for? You can contact us and a member of our team will be more than happy to help find the part you need.
All of our boiler manuals are free to download from our boiler manuals section
