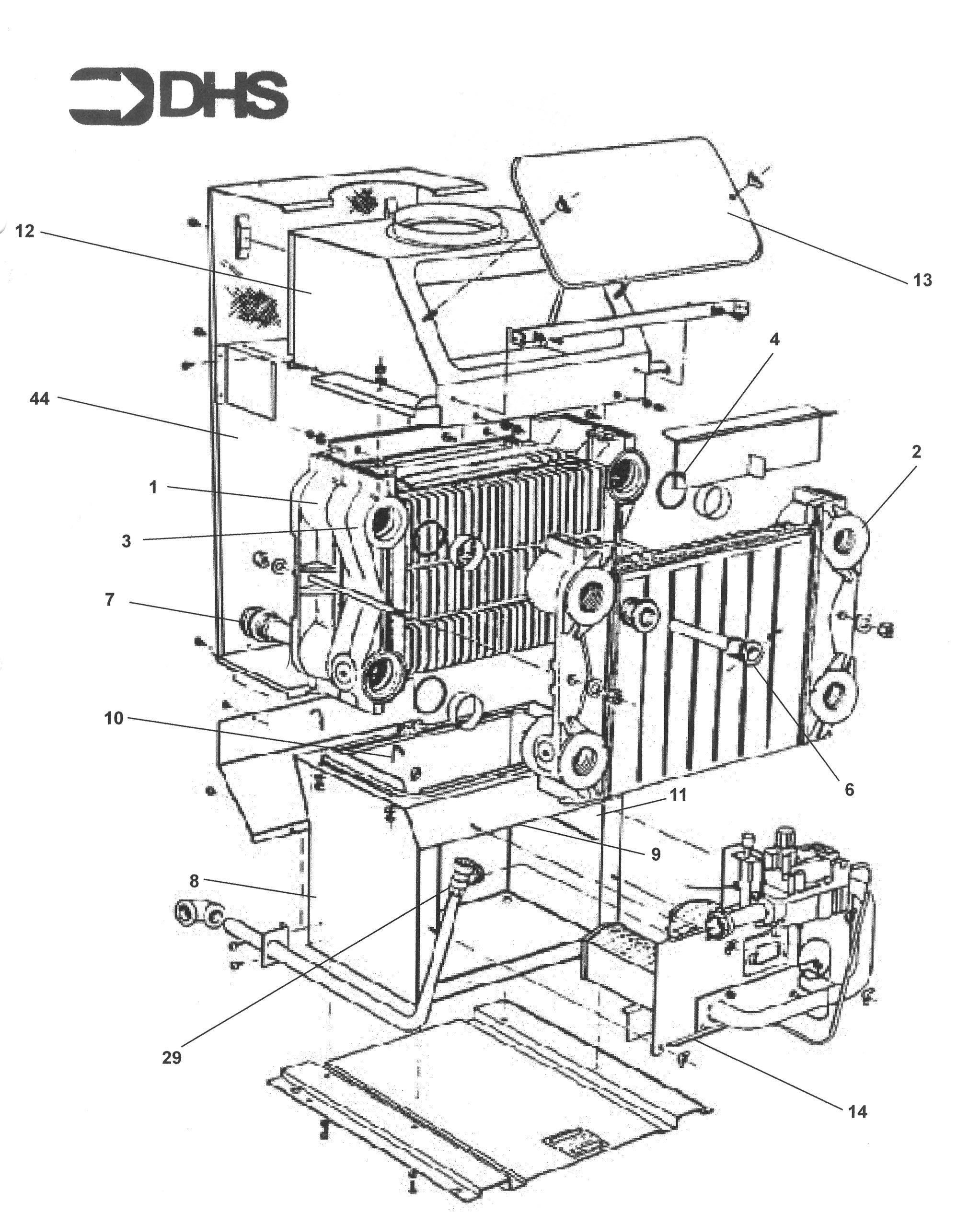
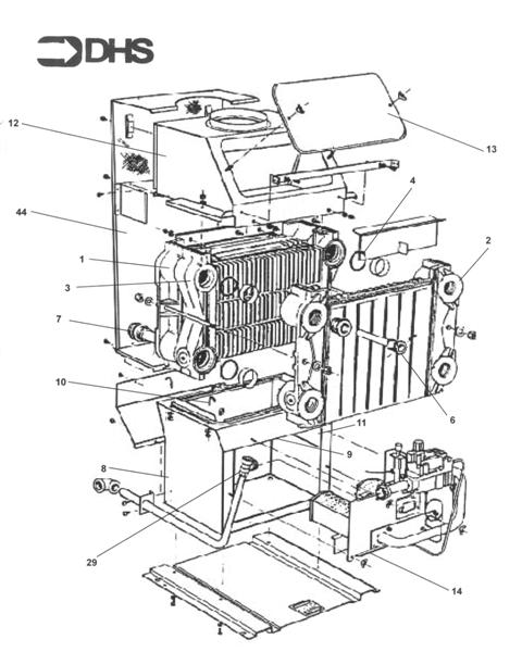
Ideal Domestic Mexico Super CF 80 / BOILER
Brand: Ideal Domestic Range: MEXICO Super Model: CF 80 GC Number: 41-407-44
We offer a wide range of spare parts for the Ideal Domestic Mexico Super CF 80. Can't find the part you're looking for? You can contact us and a member of our team will be more than happy to help find the part you need.
All of our boiler manuals are free to download from our boiler manuals section
