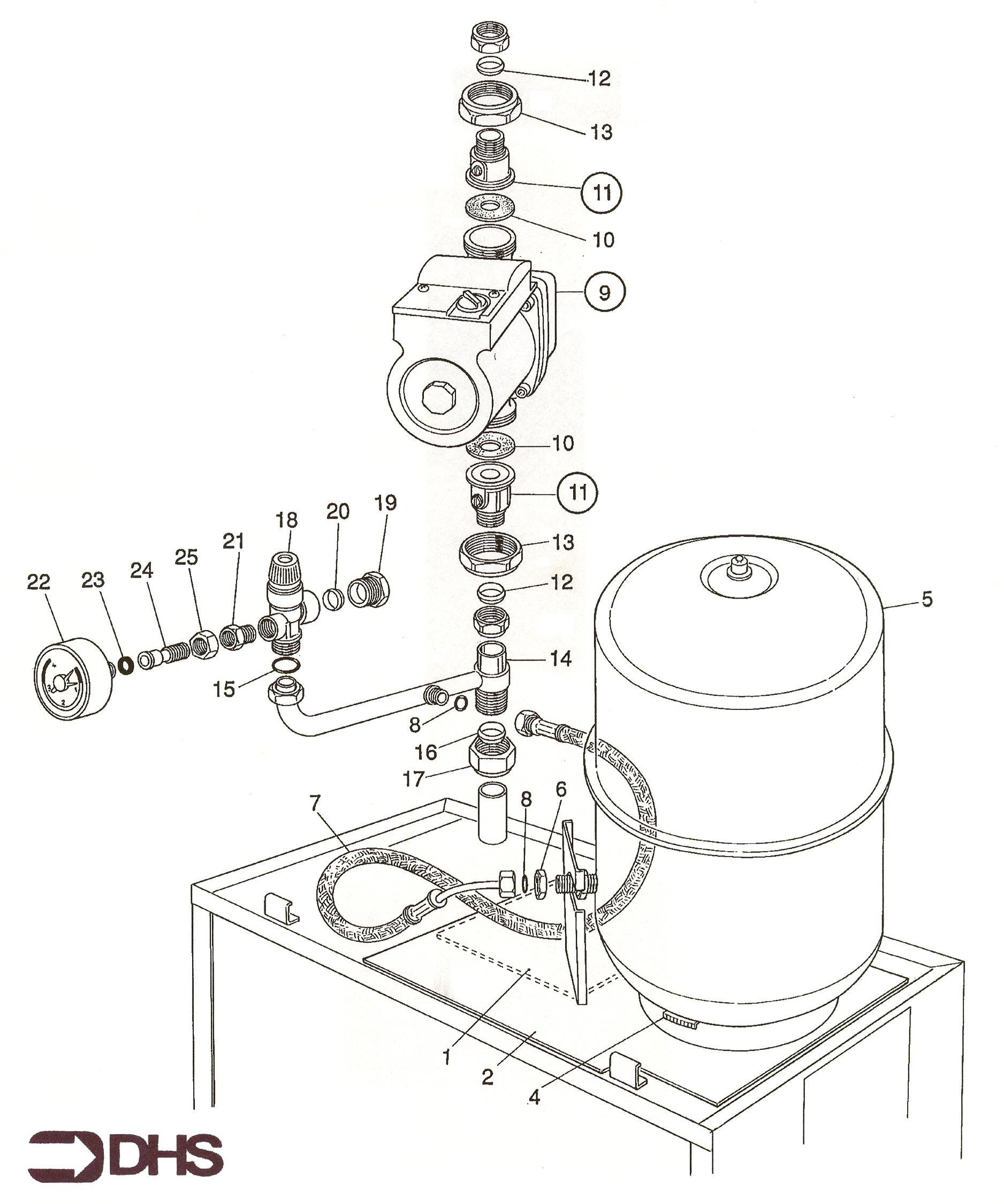
30-60 F SIDE OR REAR FLUE SEAL / SYSTEM SEALED BOILER ASSY

POTTERTON 430044 1/2"BSP SAFETY VALVE 018

POTTERTON 430044 1/2"BSP SAFETY VALVE

Part No: 1122979 MPN: 430044

£22.91 inc VAT

In stock - Next day delivery available

POTTERTON 635404 NUT FULL M5 SN 003

POTTERTON 635404 NUT FULL M5 SN

Part No: 1124234 MPN: 635404

£92.39 inc VAT

Available in 5-7 working days

020

POTTERTON 631319 OLIVE 15MM

Part No: 1124175 MPN: 631319

£5.75 inc VAT

Available in 5-7 working days

025

MYSON 10/18950 UNION NUT 1/4"

Part No: 1130215 MPN: 10/18950

Sorry, this part is now obsolete

View Part Details
008

POTTERTON 300507 NITRILE WASHER 16OD 11ID

Part No: 1122047 MPN: 300507

Sorry, this part is now obsolete

View Part Details
006

POTTERTON 625947 LOCKNUT 3/8" BSP

Part No: 1124060 MPN: 625947

Sorry, this part is now obsolete

View Part Details
007

POTTERTON 430043 FLEXIBLE HOSE

Part No: 1122978 MPN: 430043

Sorry, this part is now obsolete

View Part Details
POTTERTON 929873 PUMP WATER CP53 MYSN 009

POTTERTON 929873 PUMP WATER CP53 MYSN

Part No: 1125074 MPN: 929873

Sorry, this part is now obsolete

View Part Details
POTTERTON 212108 BLANKING PLATE GASKET 001

POTTERTON 212108 BLANKING PLATE GASKET

Part No: 1120926 MPN: 212108

Sorry, this part is now obsolete

View Part Details
016

POTTERTON 625942 OLIVE COPPER 22MM DIA

Part No: 1124058 MPN: 625942

Sorry, this part is now obsolete

View Part Details
015

POTTERTON 401643 O' RING 15 DIA.

Part No: 1122347 MPN: 401643

Sorry, this part is now obsolete

View Part Details
017

POTTERTON 625919 UNION NUT M.28 X 22MMDIA

Part No: 1124054 MPN: 625919

Sorry, this part is now obsolete

View Part Details
010

MYSON 404C587 WASHER.

Part No: 1131152 MPN: 404C587

Sorry, this part is now obsolete

View Part Details
POTTERTON 300508 NITRILE WASHER 11ODX6ID 023

POTTERTON 300508 NITRILE WASHER 11ODX6ID

Part No: 1122048 MPN: 300508

Sorry, this part is now obsolete

View Part Details
14 products found