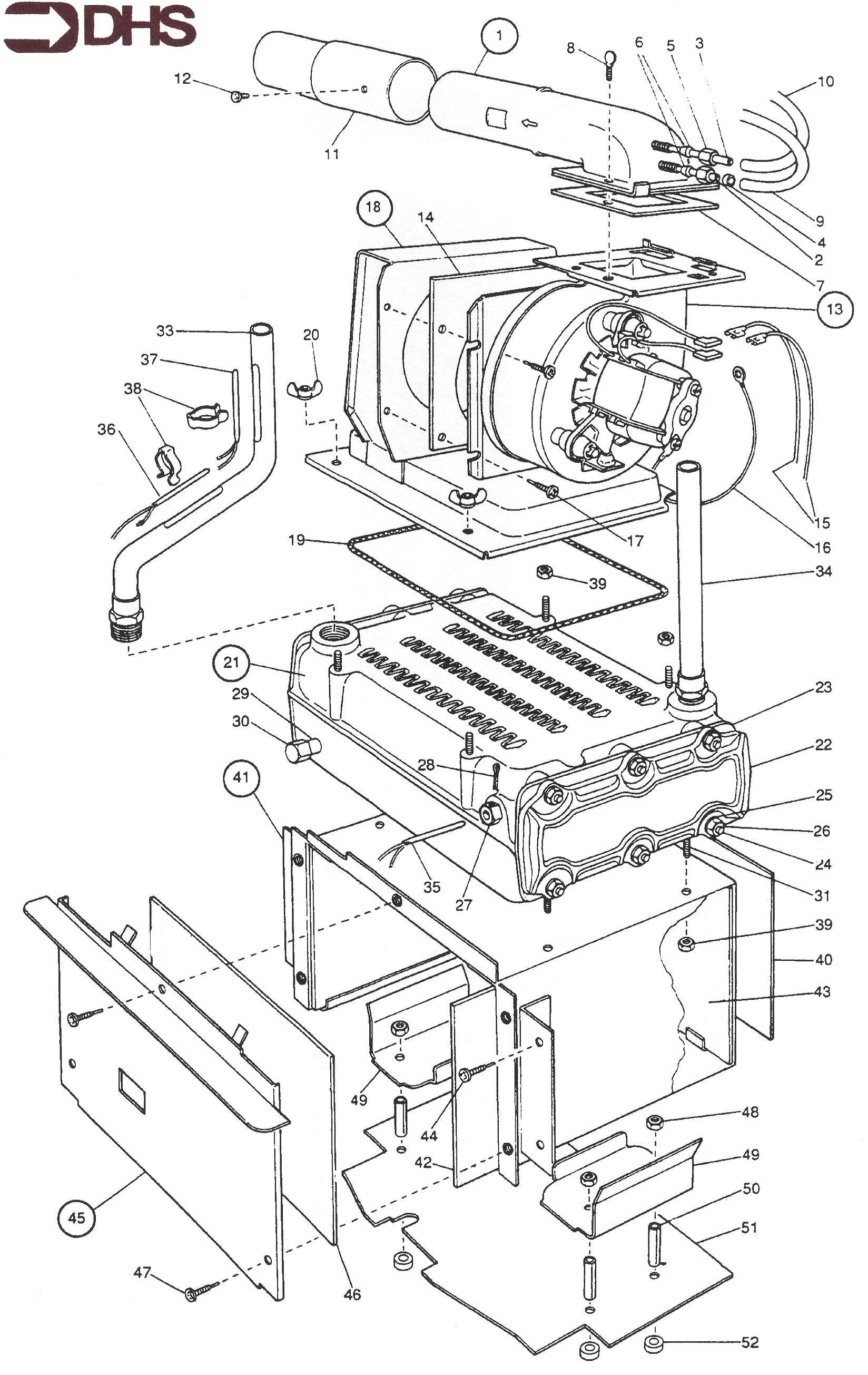
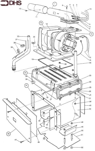
Bristish Gas 80 F2 / MAIN BOILER
Brand: Bristish Gas Range: 80 F2 GC Number: 41-589-97
Here you will find all the spare parts for the Bristish Gas 80 F2. Can't find the part you're looking for? You can contact us and a member of our team will be more than happy to help find the part you need.
All of our boiler manuals are free to download from our boiler manuals section
