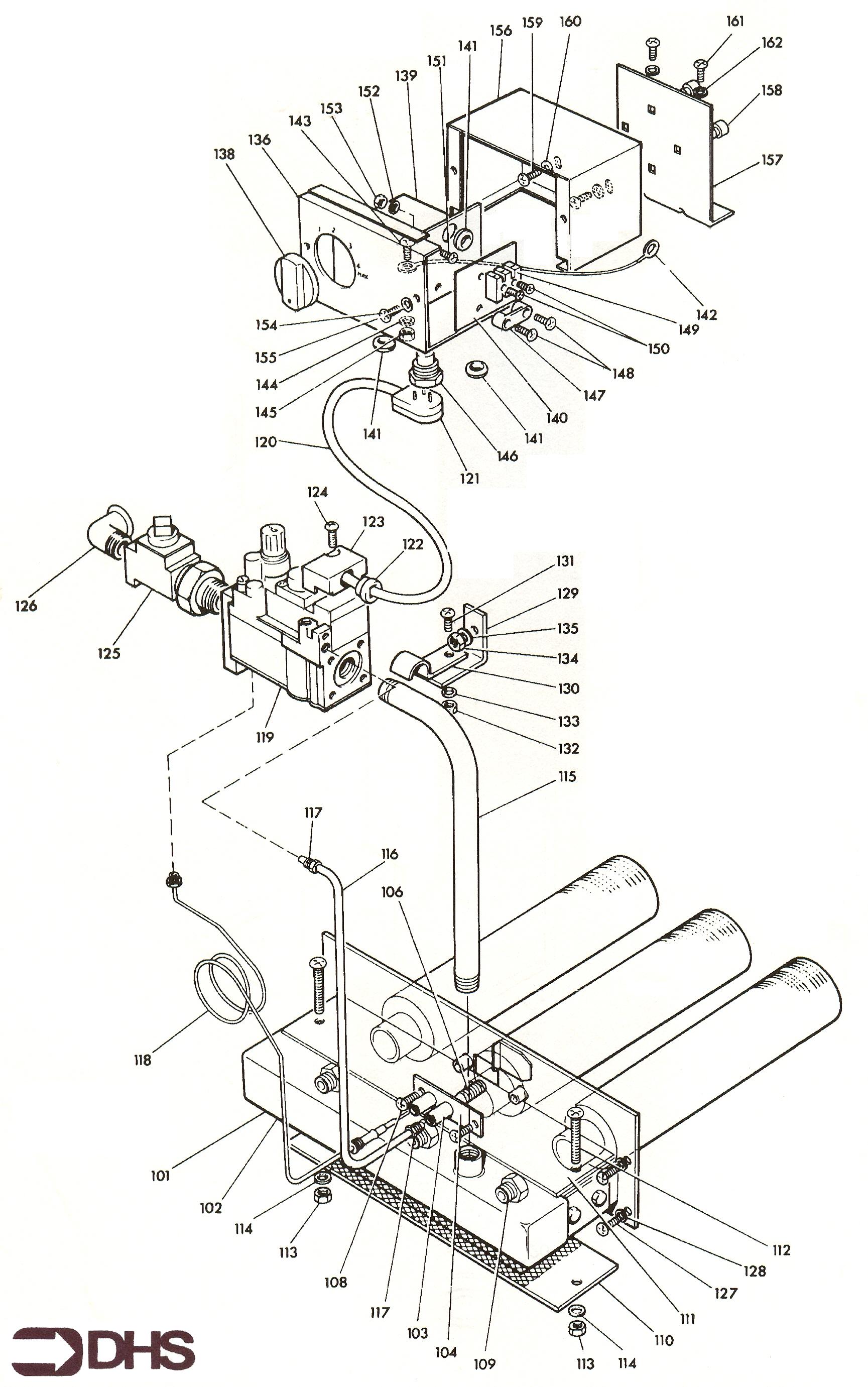
Potterton Kingfisher 2 CF 125 / GAS & CONTROL MODULE ASSY
Brand: Potterton Range: KINGFISHER 2 Model: CF 125 GC Number: 41-607-15
We offer a wide range of spare parts for the Potterton Kingfisher 2 CF 125. Can't find the part you're looking for? You can contact us and a member of our team will be more than happy to help find the part you need.
All of our boiler manuals are free to download from our boiler manuals section
