Potterton Puma Flowsure +

We offer a wide range of spare parts for the Potterton Puma Flowsure +. Can't find the part you're looking for? You can contact us (using the details at the bottom of the page) and we'll be happy to help you find the part you need.

All of our boiler manuals are free to download from our boiler manuals section.

ALL PARTS FOR THIS MODEL
BOILER ASSY logo
BOILER ASSY
CONTROLS logo
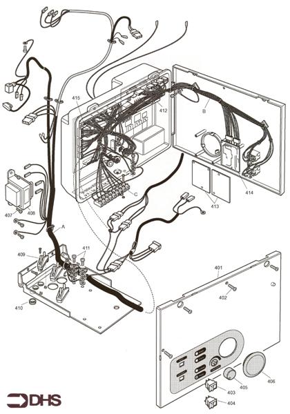
CONTROLS
GAS ASSY logo
GAS ASSY
INNER CASING ASSY logo
INNER CASING ASSY
OPTIONAL FLUE PACK ASSY logo
OPTIONAL FLUE PACK ASSY
OUTER CASING ASSY logo
OUTER CASING ASSY
SHORT PARTS LIST
STANDARD HORIZONTAL FLUE ASSY logo
STANDARD HORIZONTAL FLUE ASSY
STORAGE TANK AND WALL FRAME AS logo
STORAGE TANK AND WALL FRAME AS