Scottish Gas 50 F2 / MAIN BOILER
Brand: Scottish Gas Range: 50 F2 GC Number: 41-590-08
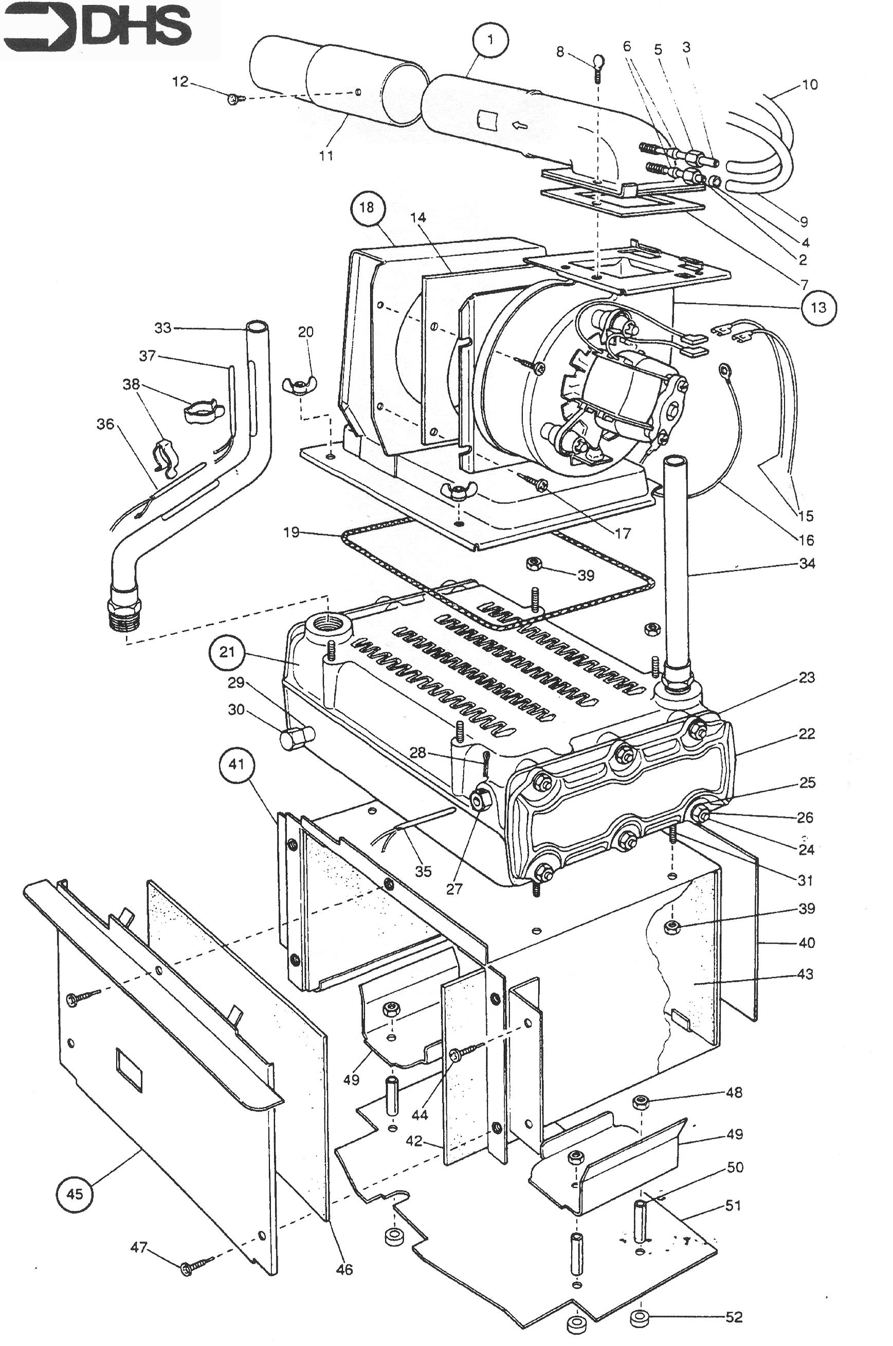
We have a wide range of spare parts for the Scottish Gas 50 F2. Can't find the part you're looking for? You can contact us and a member of our team will be more than happy to help find the part you need.
All of our boiler manuals are free to download from our boiler manuals section
