Vokera Syntesi 29 / EXPANSION - PUMP - HEAT EXCHAN
Brand: Vokera Range: SYNTESI Model: 29 GC Number: 47-094-48
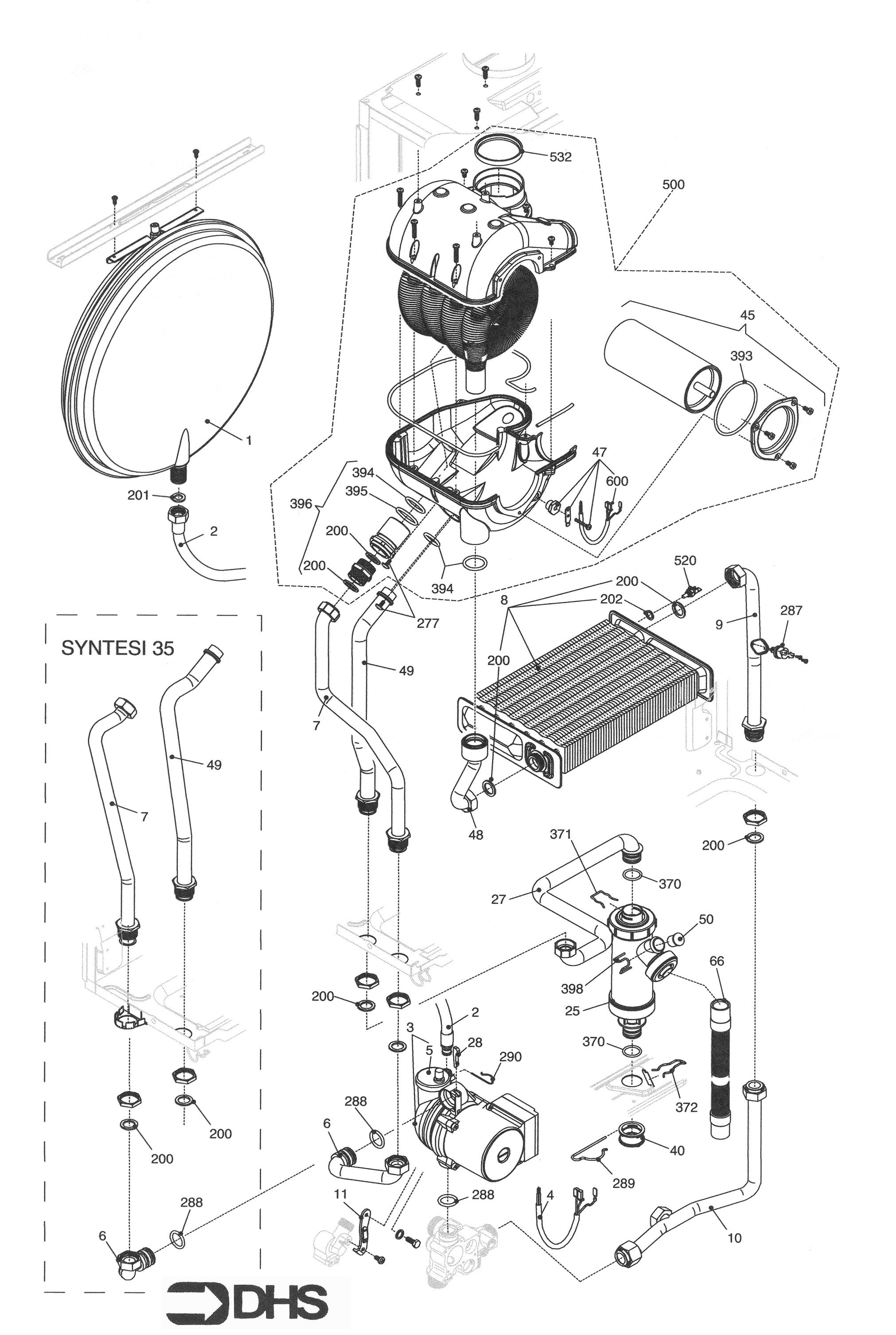
Here you will find all the spare parts for the Vokera Syntesi 29. Can't find the part you're looking for? You can contact us and a member of our team will be more than happy to help find the part you need.
All of our boiler manuals are free to download from our boiler manuals section
