Vokera Unica 32 HE / BURNER - FAN ASSY
Brand: Vokera Range: UNICA Model: 32 HE GC Number: 47-094-85
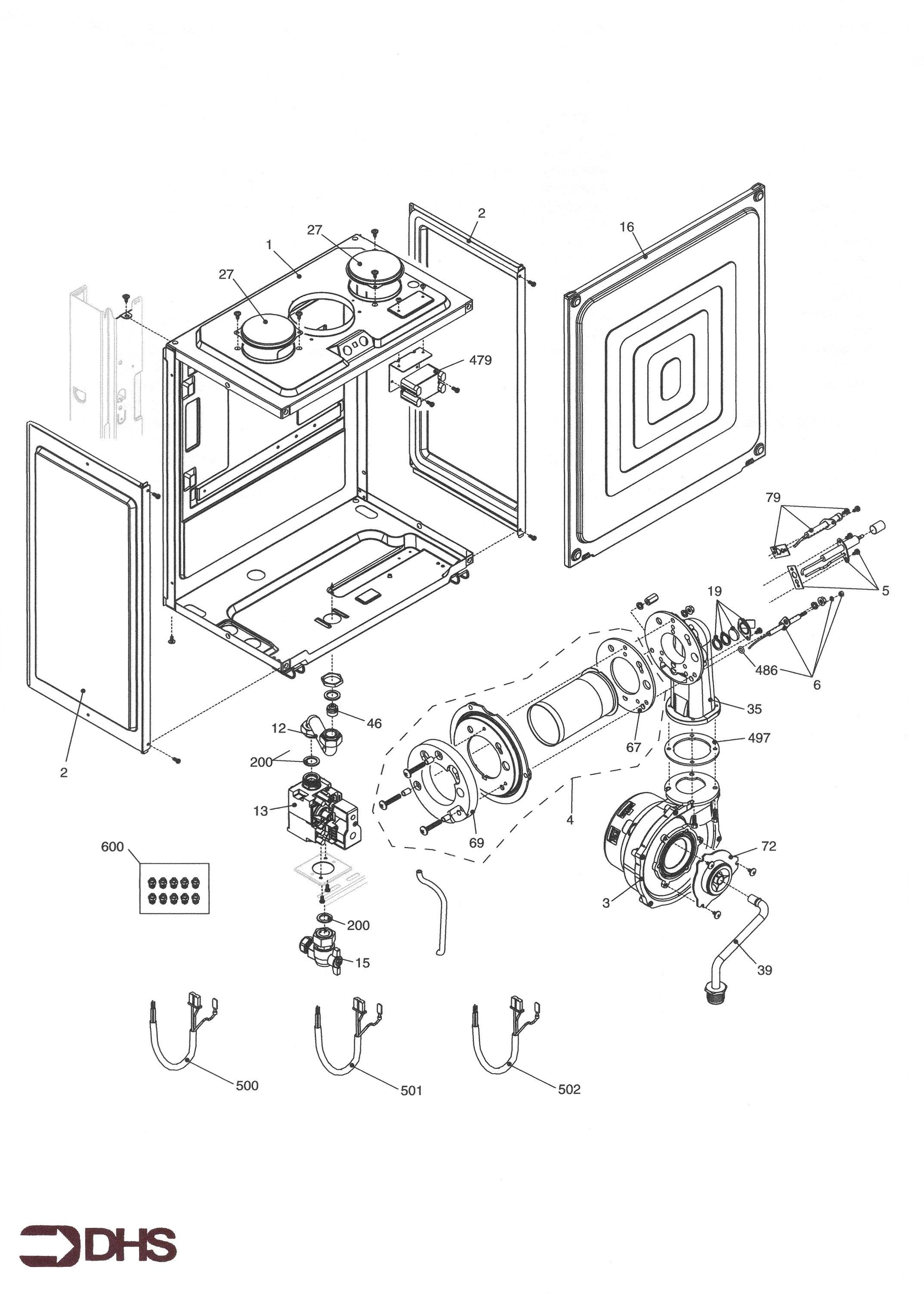
Here you will find all the spare parts for the Vokera Unica 32 HE. Can't find the part you're looking for? You can contact us and a member of our team will be more than happy to help find the part you need.
All of our boiler manuals are free to download from our boiler manuals section
