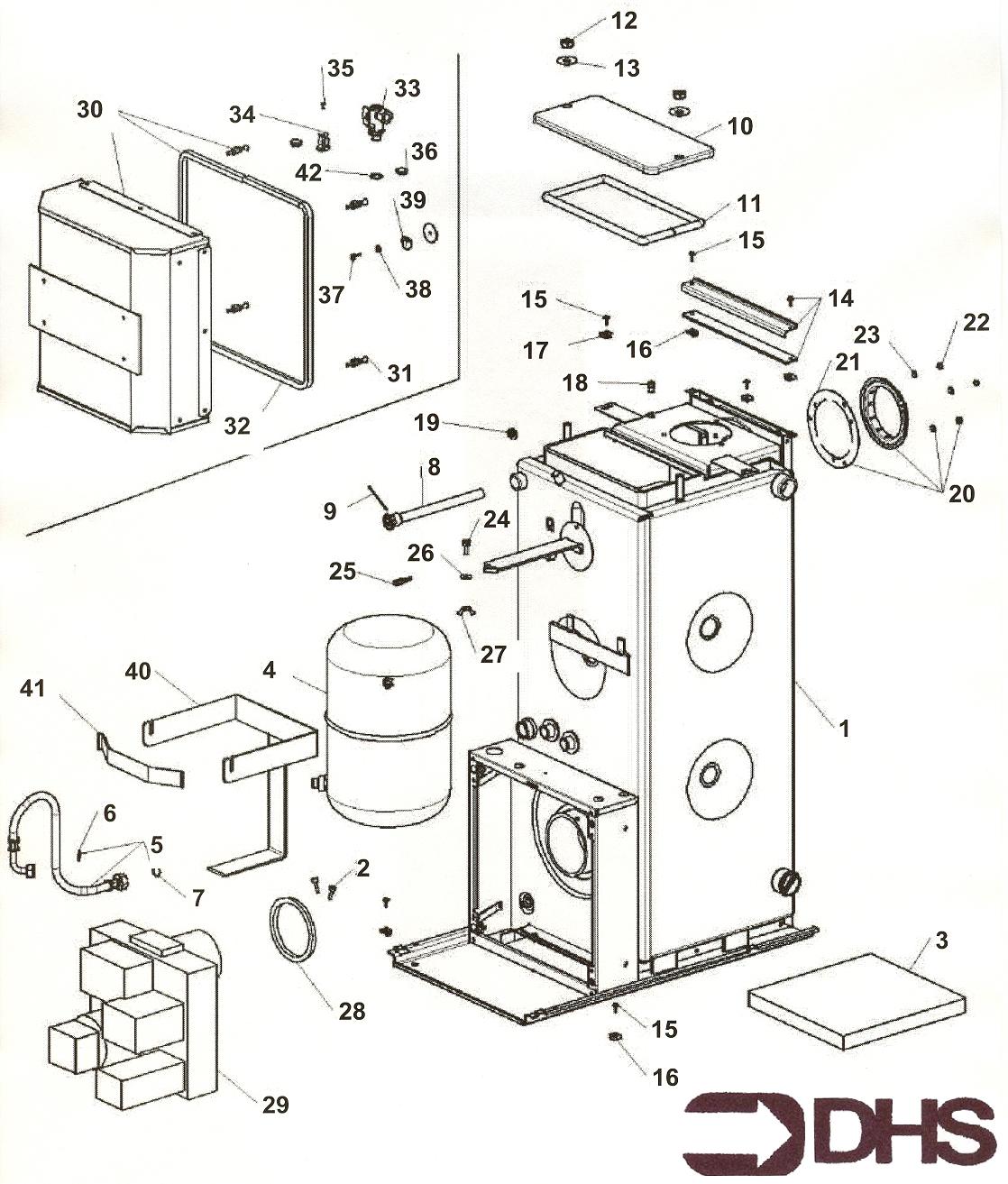
DANEMORE 15/19-RSO-GB SYS OIL / HEAT EXCHANGER
7/36 Worcester Bosch 87101030450 Fibre Washer - 18.6x13.5x1.5 - 10 Pk - Junior/Si/CDi
Part No: 1012317 MPN: 87101030450
15 Worcester Bosch 87161153060 Screw - Pack of 10 - 8x1/2" - CDi/Si/Junior
Part No: 1030669 MPN: 87161153060
28 Worcester Bosch 87161409020 Burner Gasket Seal - Danesmoor/Greenstar/Heatslave
Part No: 1017599 MPN: 87161409020
33 Worcester Bosch 87161424230 Bulk Head Valve - 1/4 Bsp Iso. - Danesmoor/Heatslave
Part No: 1018197 MPN: 87161424230
7/36 Worcester Bosch 87161156800 Single Washer - 18.6x13.5x1.5 - CDi/Junior/Danesmoor
Part No: 1022060 MPN: 87161156800
5 Worcester Bosch 87161405070 Flexible Hose And Washers - Danesmoor/Heatslave
Part No: 1017369 MPN: 87161405070
6 Worcester Bosch 87161409210 Washer Fibre - 15.0 x 10.0 x 1.0 - Junior/Danesmoor
Part No: 1017629 MPN: 87161409210
015 Worcester Bosch 29124212250 Flat Head Type B Self Tap Screw - 8x1/2 - Pack of 10
Part No: 1011109 MPN: 29124212250
16 Worcester Bosch 87161482040 Captive Nut - No:8 - CDi/Camray/Danesmoor
Part No: 1019159 MPN: 87161482040
