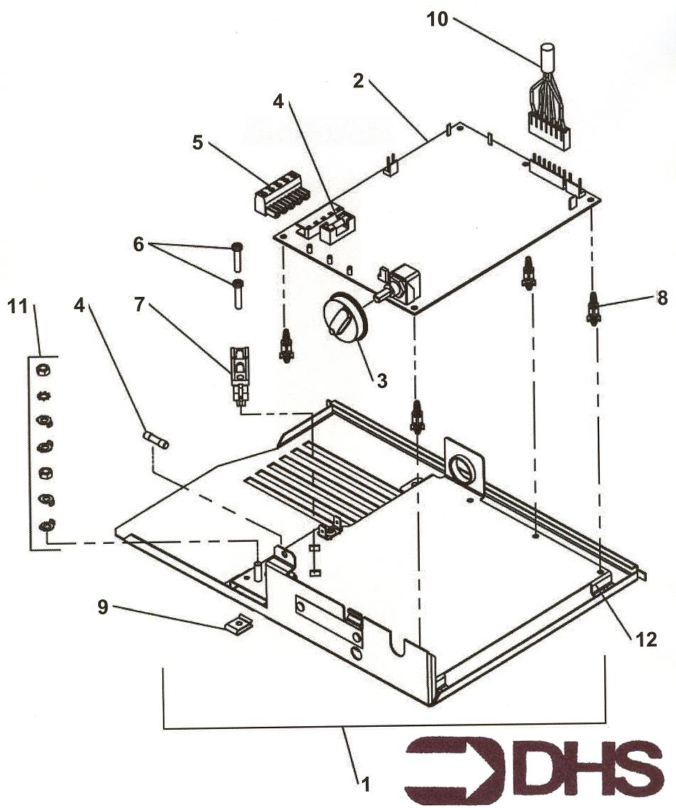
Worcester CBI 19/24 LPG Fop / ELECTRICAL BOX ASSEMBLY
Brand: Worcester Range: CBI Model: 19/24 LPG FOP GC Number: 41-311-55
Here you can find the spare parts for the Worcester CBI 19/24 LPG Fop. Can't find the part you're looking for? You can contact us and a member of our team will be more than happy to help find the part you need.
All of our boiler manuals are free to download from our boiler manuals section
