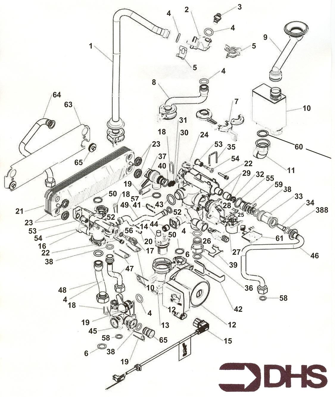
Worcester Greenstar 28I Junior FSp LPG / HYDRAULIC'S ASSEMBLY
Brand: Worcester Range: Greenstar Model: 28I JUNIOR FSP LPG GC Number: 47-311-91
Here you can find the spare parts for the Worcester Greenstar 28I Junior FSp LPG. Can't find the part you're looking for? You can contact us and a member of our team will be more than happy to help find the part you need.
All of our boiler manuals are free to download from our boiler manuals section

Worcester Bosch 87161063560 Supply Manifold Complete/Flow Unit - Greenstar/B/Gas
Part No: 1014883 MPN: 87161063560

Worcester Bosch 87161064420 Return Manifold Sub-Assembly - Greenstar CDi/Junior
Part No: 1014915 MPN: 87161064420

Worcester Bosch 87161064450 Auto Air Vent - Greenstar/CDi/GR8300iW/GR8700iW
Part No: 1014917 MPN: 87161064450

Worcester Bosch 87161066850 Heat Exchanger - 14 Plate - Greenstar/CDi
Part No: 1015031 MPN: 87161066850

Worcester Bosch 87145000810 Domestic Hot Water Temperature Sensor - Greenstar
Part No: 1013033 MPN: 87145000810

Worcester Bosch 87161064350 DHW Heat Exchanger Seal - ErP/EMS Combi/Greenstar
Part No: 1014907 MPN: 87161064350

Worcester Bosch 87161409200 Washer - 30.5 x 22.2 x 1.5 - CDi/Camray/Greenstar
Part No: 1017627 MPN: 87161409200

Worcester Bosch 87161068450 Diverter Valve Assembly - Greenstar/CDi/GR
Part No: 1015099 MPN: 87161068450

Worcester Bosch 8716120409 UPMO 7M Chg Pump Assembly - Greenstar/Junior
Part No: 1011008 MPN: 8716120409

Worcester Bosch 87161064850 Silencer Body - White - CDi/Greenstar/GR
Part No: 1014931 MPN: 87161064850