Worcester Greenstar D' Moor 18/25 Oil Boiler / ELECTRICAL ASSEMBLY
Brand: Worcester Range: Greenstar Model: D' MOOR 18/25 Oil Boiler Appliance Code: 7716100095
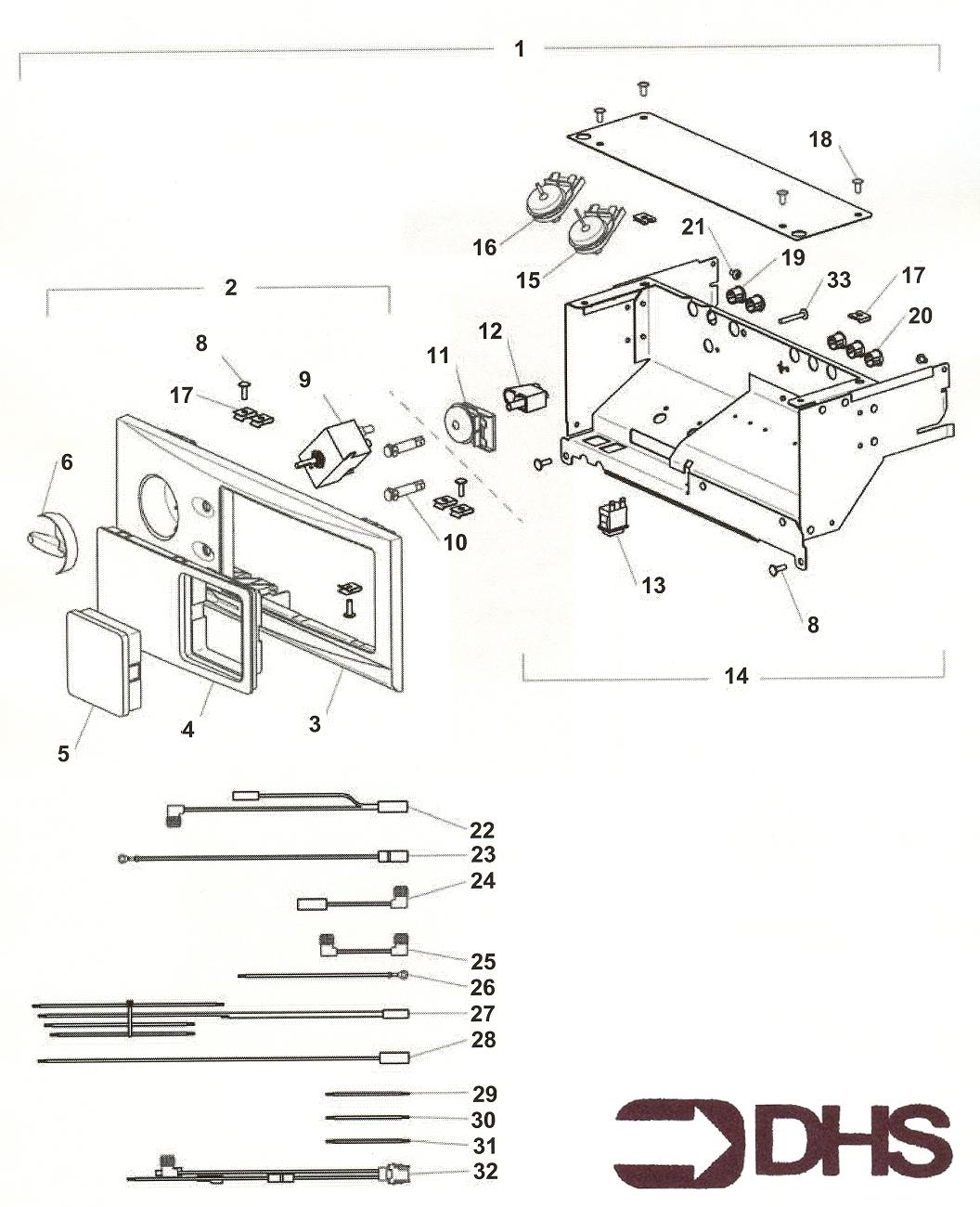
Here you can find the spare parts for the Worcester Greenstar D' Moor 18/25 Oil Boiler. Can't find the part you're looking for? You can contact us and a member of our team will be more than happy to help find the part you need.
All of our boiler manuals are free to download from our boiler manuals section

Worcester Bosch 87161076240 Flue Manual Thermostat - Camray/Danesmoor/Greenstar
Part No: 1015215 MPN: 87161076240

Worcester Bosch 29124212250 Flat Head Type B Self Tap Screw - 8x1/2 - Pack of 10
Part No: 1011109 MPN: 29124212250

Worcester Bosch 87161076210 Thermostat Control CH - Camray/DMR/Greenstar
Part No: 1015211 MPN: 87161076210

Worcester Bosch 87161482040 Captive Nut - No:8 - CDi/Camray/Danesmoor
Part No: 1019159 MPN: 87161482040